EasyManua.ls Logo

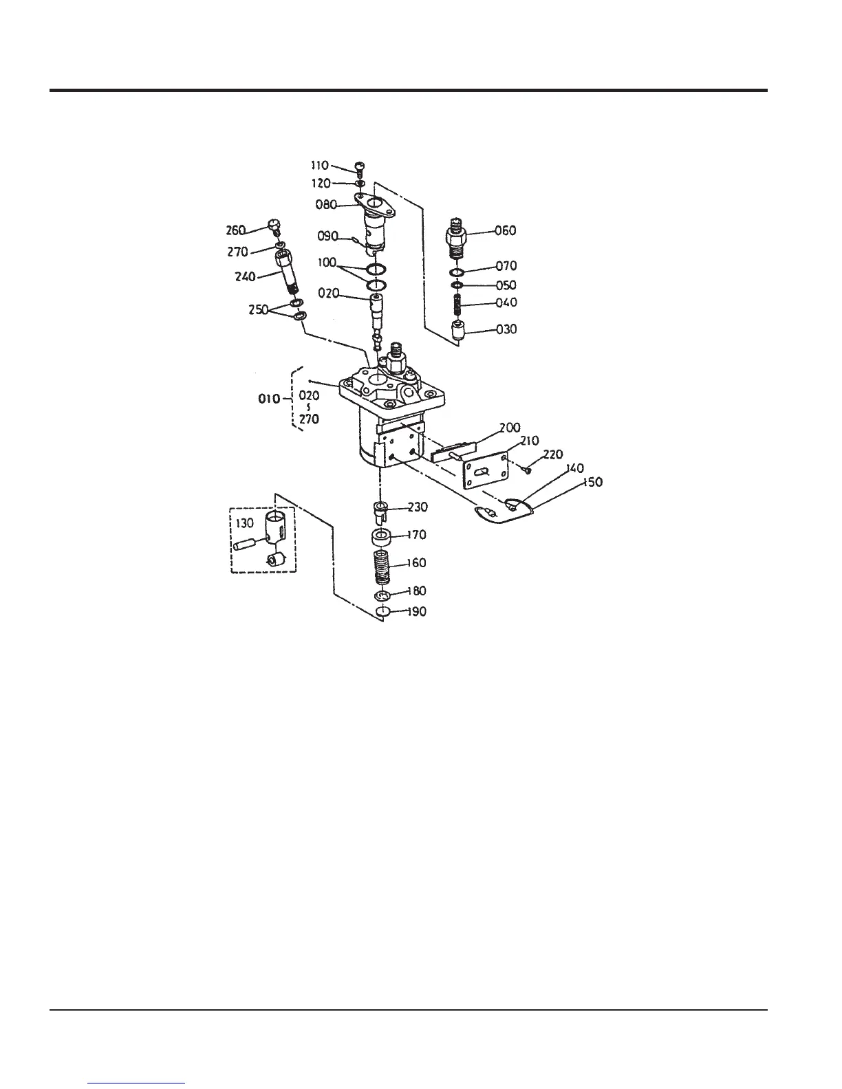
MULTIQUIP DA7000SS - Injection Pump Components Assembly

MULTIQUIP DA7000SS
172 pages
Print Icon
To Next Page IconTo Next Page
To Next Page IconTo Next Page
To Previous Page IconTo Previous Page
To Previous Page IconTo Previous Page
Loading...
PAGE 122 — DA7000 SERIES GENERATORS• OPERATION AND PARTS MANUAL — REV. #5 (01/20/11)
KUBOTA Z 482-EB ENGINE—INJECTION PUMP COMPONENTS ASSY.

Table of Contents

Other manuals for MULTIQUIP DA7000SS

Related product manuals