EasyManua.ls Logo

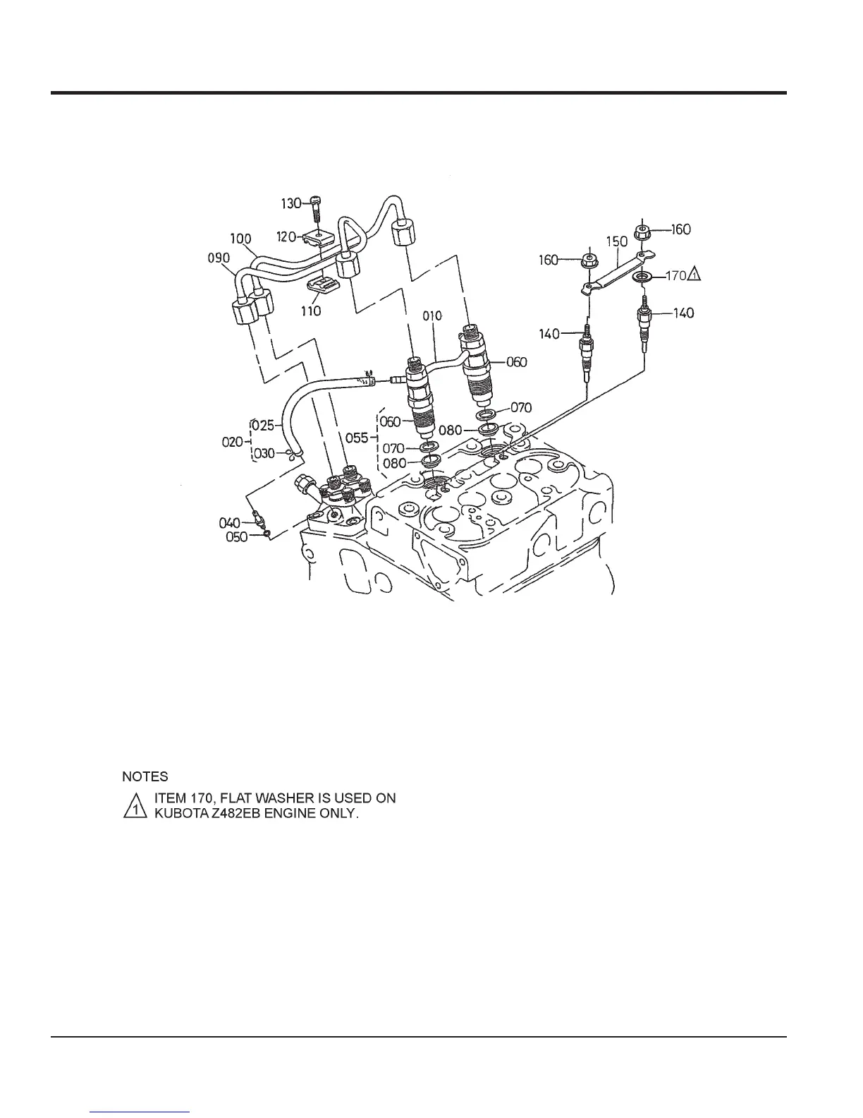
MULTIQUIP DA7000SS - Nozzle Holder and Glow Assembly

MULTIQUIP DA7000SS
172 pages
Print Icon
To Next Page IconTo Next Page
To Next Page IconTo Next Page
To Previous Page IconTo Previous Page
To Previous Page IconTo Previous Page
Loading...
PAGE 126 — DA7000 SERIES GENERATORS• OPERATION AND PARTS MANUAL — REV. #5 (01/20/11)
KUBOTA Z482-EB/E2B/E3B ENG. — NOZZLE HOLDER AND GLOW ASSY.

Table of Contents

Other manuals for MULTIQUIP DA7000SS

Related product manuals