EasyManua.ls Logo

MULTIQUIP DA7000SS - Engine Oil Check

MULTIQUIP DA7000SS
172 pages
Print Icon
To Next Page IconTo Next Page
To Next Page IconTo Next Page
To Previous Page IconTo Previous Page
To Previous Page IconTo Previous Page
Loading...
PAGE 24 — DA7000 SERIES GENERATORS• OPERATION AND PARTS MANUAL — REV. #5 (01/20/11)
INSPECTION/SETUP
Before Starting
1. Read safety instructions at the beginning of manual.
2. Clean the generator, removing dirt and dust, particularly
the engine cooling air inlet.
3. Check the air fi lter for dirt and dust. If air fi lter is dirty,
replace air fi lter with a new one as required.
4. Check fastening nuts and bolts for tightness
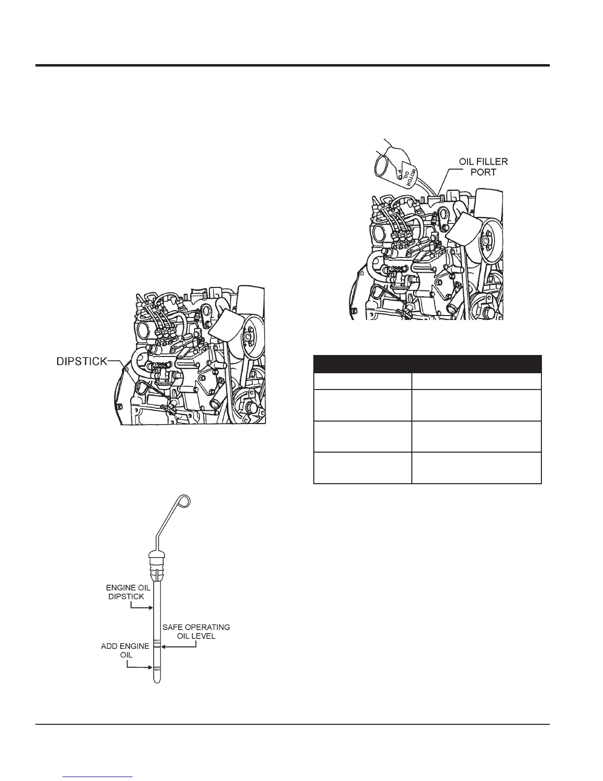
Engine Oil Check
1. To check the engine oil level, place the generator on
secure level ground with the engine stopped.
2. Remove the dipstick from its holder (Figure 7) and wipe
clean.
Figure 7. Engine Oil Dipstick Removal
3. Re-Insert dipstick (Figure 8), then remove dipstick from
its holder. Check the oil level shown on the dipstick.
Figure 8. Engine Oil Dipstick
4. If the oil level is low, remove the oil fi ller cap (Figure 9)
and fi ll to a safe operating level (max) as indicated by
the dipstick. Fill with recommended type oil as listed in
Table 5. Maximum oil capacity is 2.64 quarts (2.5 liters).
Figure 9. Engine Oil Filler Port
Table 5. Oil Type
Temperature Oil Type
Above 77° F (25° C)
SAE 30 or SAE10W-30
SAE 15W-40
32°~ 77° F
(0° ~ 25° C)
SAE 20 or SAE10W-30
SAE 15W-40
Below 32° F (0° C)
SAE 10 or SAE10W-30
SAE 15W-40

Table of Contents

Other manuals for MULTIQUIP DA7000SS

Related product manuals