EasyManua.ls Logo

MULTIQUIP MTX60HD - Carburetor Assembly (S;N T-3424 and Above)

MULTIQUIP MTX60HD
70 pages
Print Icon
To Next Page IconTo Next Page
To Next Page IconTo Next Page
To Previous Page IconTo Previous Page
To Previous Page IconTo Previous Page
Loading...
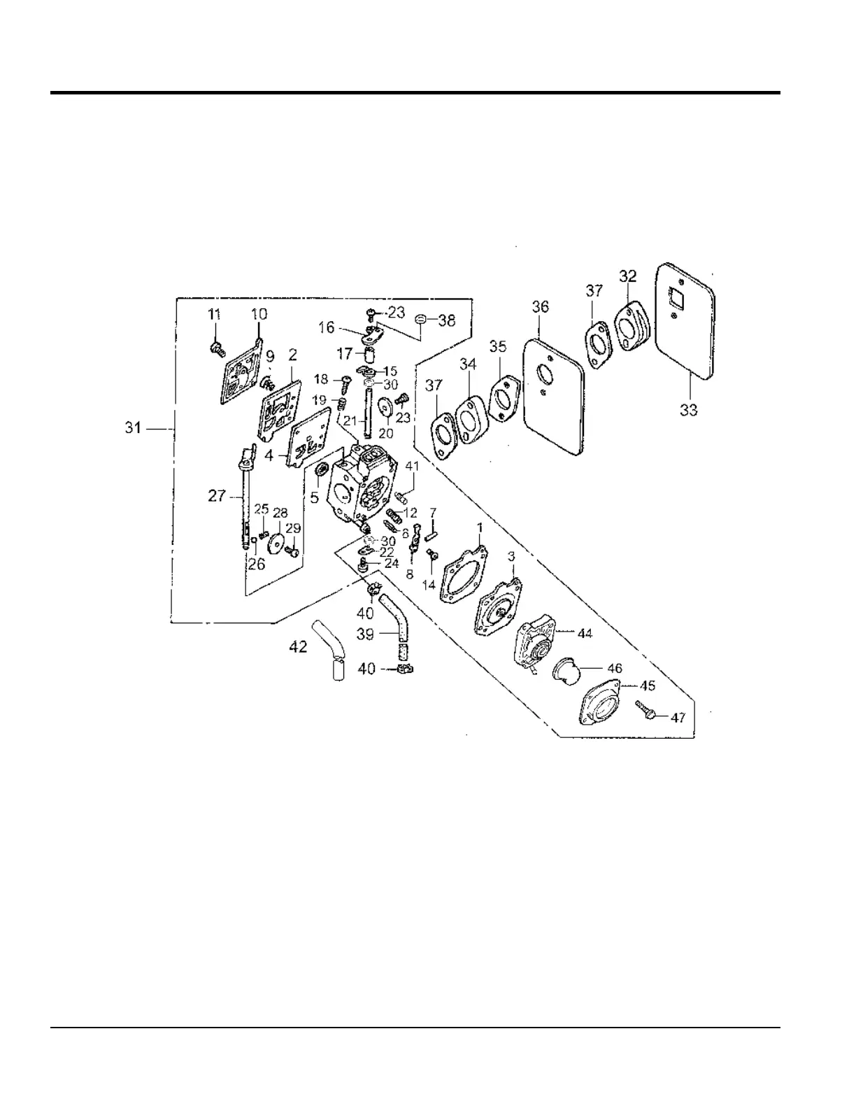
PAGE 56 — MTX60HD RAMMER • OPERATION AND PARTS MANUAL — REV. #3 (10/26/18)
HONDA GX100UKRBF ENGINE — CARBURETOR ASSY. (S/N T-3424 & ABOVE)
PAGE 54 MTX70HD OPERATION AND PARTS MANUAL REV. #14 (12/01/11)
HONDA GX100UKRBF ENGINE CARBURETOR ASSY. (S/N T-3363 AND ABOVE)