EasyManua.ls Logo

mycom i160L - 1-3 Oil Temperature Control

Default Icon
121 pages
Print Icon
To Next Page IconTo Next Page
To Next Page IconTo Next Page
To Previous Page IconTo Previous Page
To Previous Page IconTo Previous Page
Loading...
2203M4JE-MY-iS2-N_2017.04.
Screw Compressor i-series
Appendix 1: Points of Single-package
Appendix 1-3
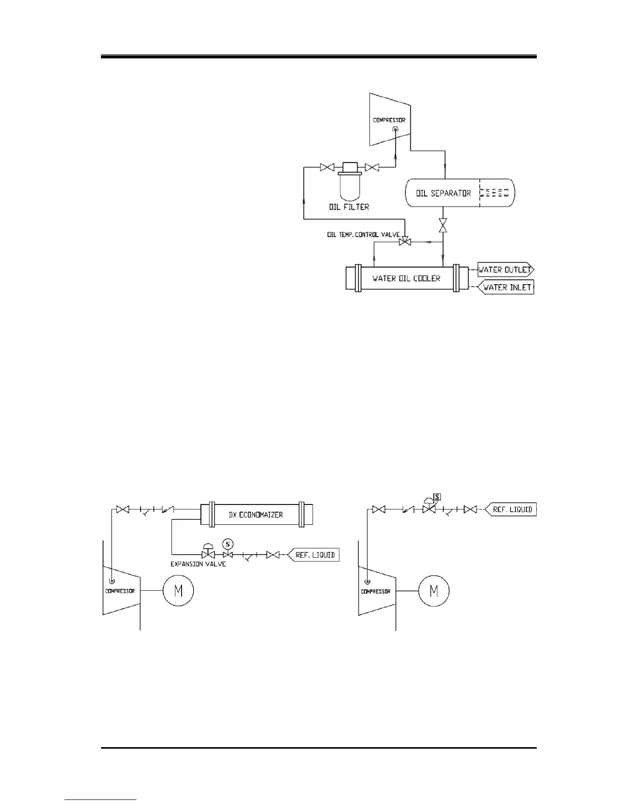
1-3 Oil Temperature Control
Generally, in order to keep the lubricating
oil temperature in the oil separator, install
the oil heater at the bottom of the oil
separator.
In the cold district, the viscosity of
lubricating oil at the compressor start-up is
decreased; lubricating oil is hard to flow, so
there are cases that package unit cannot
secure the necessary oil supply pressure.
When you need to secure the oil supply
temperature to the compressor, install an
oil temperature control valve.
Figure app.1-5 is a reference flow in oil
temperature control valve use. The mixing
-type three-way valve is general.
Figure app.1-5
1-4 Economizer
i-series compressor has a economizer port for improvement of refrigerating effect.
Figure app.1-6 is a use example of the general economizer system with the i-series compressor
package unit.
DX type composed by a expansion valve and a heat exchanger, and flash tank type inhaling from
common flash tank are general.
Install a filter with the ability for filtration less than 100μm in the economizer line.
In the case of DX type economizer, type of the heat exchanger can choose with shell and tube type,
plate type, etc. Use it properly by the system of refrigerator.
I In addition, the economizer port can also be used as a side load gas inlet port, but since the diameter
is small compared to general port for side load port, please contact us for the details.
DX type
Flash tank type
Figure app.1-6

Related product manuals