EasyManua.ls Logo

mycom i160L - Appendix 2: Basic Points of Design and Manufacturing for the Compressors Multi- package; 2-1 Preface; 2-2 Reference Flow and Configuration Components for Multi-package

Default Icon
121 pages
Print Icon
To Next Page IconTo Next Page
To Next Page IconTo Next Page
To Previous Page IconTo Previous Page
To Previous Page IconTo Previous Page
Loading...
2203M4JE-MY-iS2-N_2017.04.
Screw Compressor i-series
Appendix 2: Points of Multi-package
Appendix 2-1
Appendix 2: Basic Points of Design and Manufacturing for
the Compressors Multi- package
2-1 Preface
In previous Chapter Appendix 1 "Basic Points of Design and Manufacturing for the Compressor
Package", we have introduced the basic packaging instructions using i-series compressor.
Our i-series compressor models have achieved simplification of the package by adopting the fully
differential pressure oil supply method that does not require the oil pump for lubrication of the
compressor. In addition, i-series compressor models can be used for various package types by
adopting different systems and applications.
As major package types, it has been widely adopted that there are general basic packages of the
monocoque type with the compressor mounted on the horizontal oil separator, and the large scale
system packages such as multiple operation, chiller packages or the like.
In addition, according to the requests for adopting systems and/or applications, multi-packaging is also
available that shares the oil separator and the oil cooler.
In this Chapter Appendix 2, we will introduce the basic points of design and manufacturing for the
multiple packaged unit. When you need to increase the refrigeration capacity by using plural
compressors, or to design the refrigeration package for the applications that require capacity control by
controlling the number of compressors, you can refer to the instructions here.
In the same way as the single compressor packages require, refrigerators also change according to
the local regulatory and customers specifications. Comply with the required regulations and
specification when designing the package.
2-2
Reference Flow and Configuration Components for Multi-package
2-2-1
Representative Flow of Multi-package
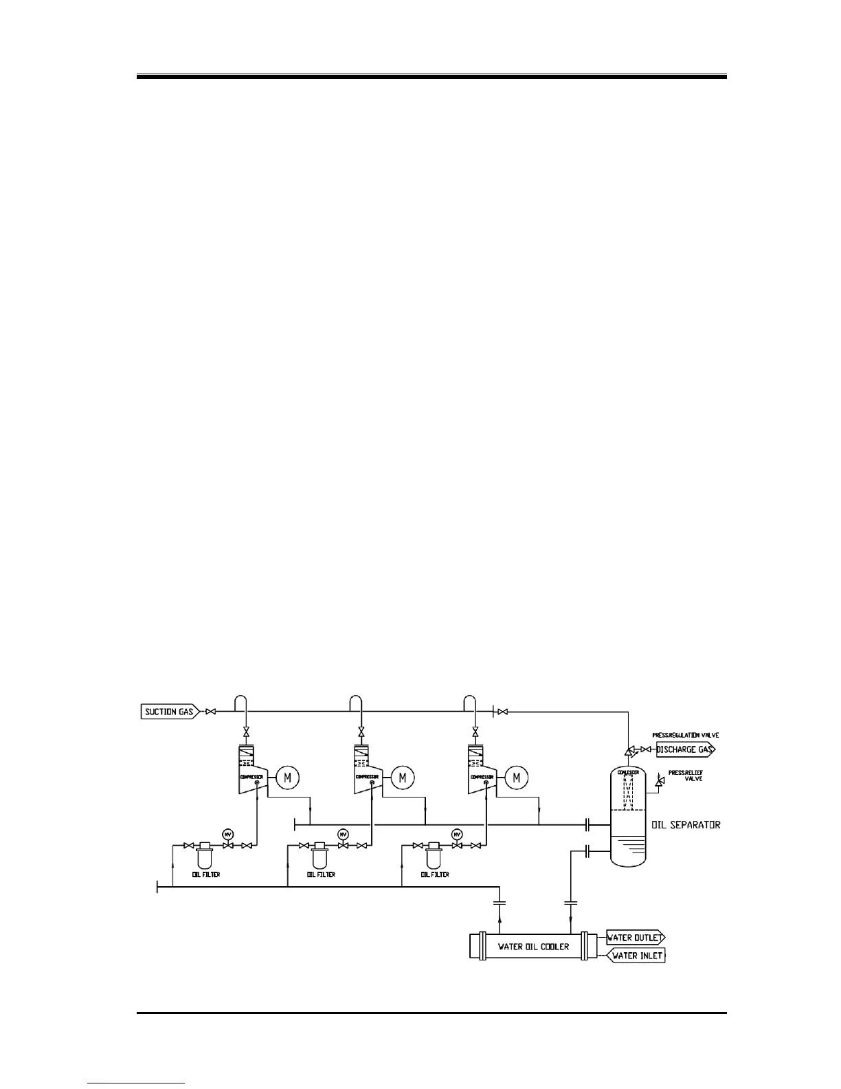
Figure app.2-1 indicates the reference flow of the package with three parallel compressors.
As a representative example, the package in Figure app.2-1 is adopting the shell and tube type water
cooled oil cooler and vertical coalesce type oil separator. It has also set the prerequisites that the
capacity control by limiting the number of compressors is required, which means some compressors
are not in use during the operation.
The multi-package flow changes depending on the requested system and applications.
Figure app.2-1

Related product manuals