EasyManua.ls Logo

Myray Hyperion X5 3D - Page 41

Myray Hyperion X5 3D
52 pages
Print Icon
To Next Page IconTo Next Page
To Next Page IconTo Next Page
To Previous Page IconTo Previous Page
To Previous Page IconTo Previous Page
Loading...
39
EN
hyperion X5 2D/3D - TECHNICAL MANUAL
EN
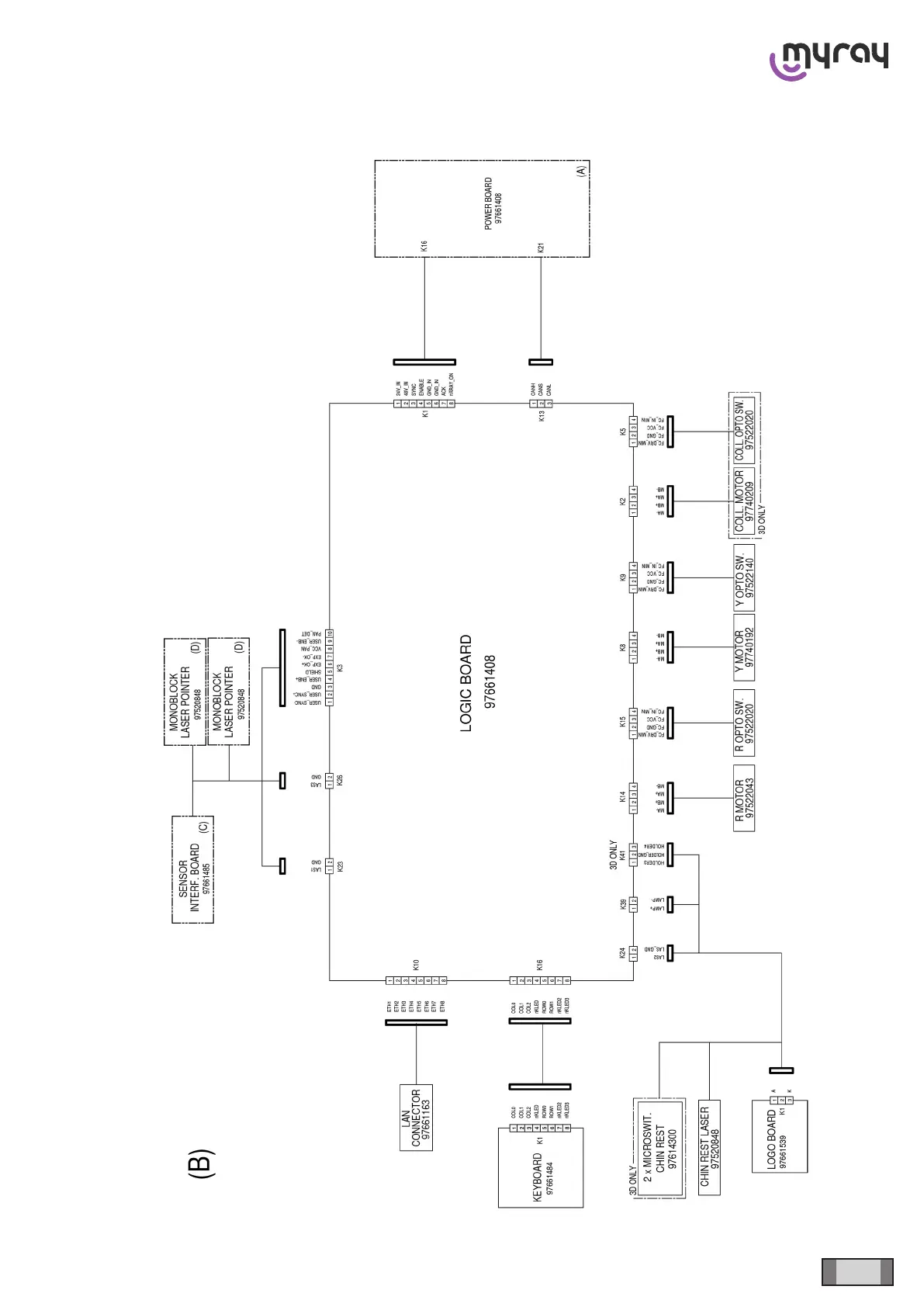
CONTROL BOARDS DESCRIPTION

Other manuals for Myray Hyperion X5 3D

Related product manuals