EasyManua.ls Logo

NAD 2400 - Page 6

NAD 2400
13 pages
Print Icon
To Next Page IconTo Next Page
To Next Page IconTo Next Page
To Previous Page IconTo Previous Page
To Previous Page IconTo Previous Page
Loading...
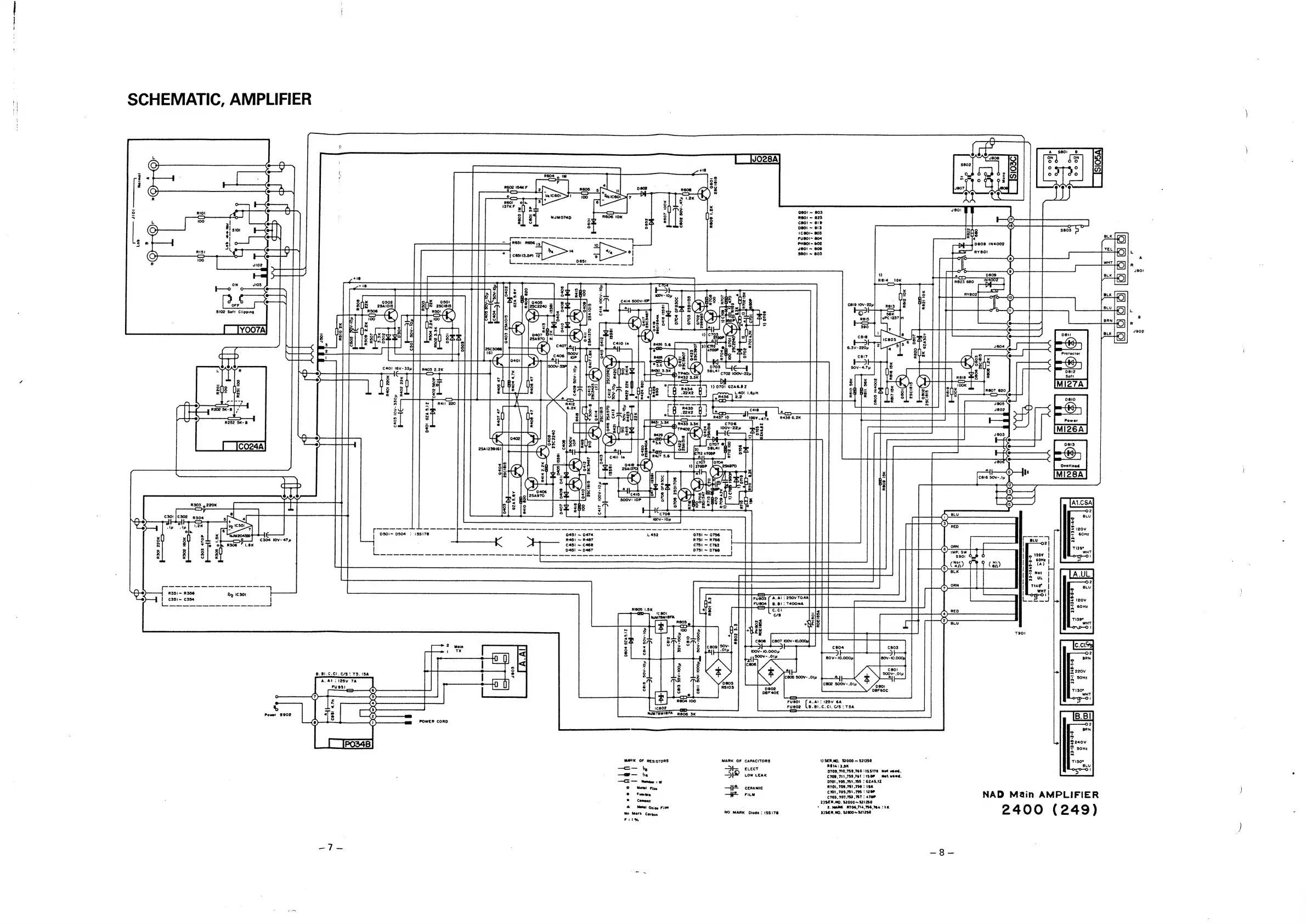
SCHEMATIC,
AMPLIFIER
R30!
220K
|
i
RBIO
2K
CD
an
R401
220
C403
10V-330p
tH
R402
22k
aaa
Grae
A
in
et
di
C303
470P
I
af
R305
9
I.5K
ee
§
wh
@
x
R351~
R356
2
1301
C3S5i~
C354
|
6.81.C.C!.
C/§.T3.
ISA
%
Power
$902
ae
ke
eee
iz
RS5O!
4%
sah)
We
|
2sc
|
Lt
(yy
a.
eerie
Y
|
|
x
53
|
a
C301
C302)
Rs04
5
licicatial
ayo
oa
12K
nies
as
a
ea
oju
6
_
tr
ae
|
2sc
1018
>
4
bd
080!
~
803
ea
RBO!
~
623
8
CB80l
~
819
ad
080i
~
813
1C801~
803
FUBOI~
804
PHAOI~
602
frei
RSs
SSSS*~CS~<C
CT
7
aes
Sie
=
£
.
:
se01
~
608
]
C6Si(3.5P)
12
r
|
$801
~
603
pes!
Ay
+
:
‘s
ae
Eee
|
ROI4_
10K
R607
100K
©
CBI9
10V-22y
<
9
q@
©
Rais
a
390
cele
0403
28aAI0!5
28A1370
6.3V-220p
celr
SOV-4.7
yp
810
D414
a
Rei
56K
oys'
raze
22x
<3
k
;
~—$—$__}—
:
:
Peaemeneaed!
ae
Ti
=a
a
Ss
i
a
a,
issiv7e
R45!
~
R487
C45!
~
C468
D045!
~
D467
C7St
~
C762
aT
0804
GZA5.1Z
COIS
SOV-lOy]
CBI4
SOV-10p
COI!
SOv-
1000p,
80V-
1000p
FUeO!
(A.Al:
125V
6A
Fueoz
(8.81.C.CI.C/S:T5A
POWER
CORD
MARK
OF
RESISTORS
MARK
OF
CAPACITORS
1)
SER.MO,
52000
~
321250
—C
=
RO14:
3.9K
Ye
36
ELECT
D709,
710,759,760
:1$S178
Not
used.
ae
a)
LOW
LEAK
C709,
711,759,761
:1808
mot
used.
—ai
=
Nmee
=
w
D701,
705,751,755
°
GZAS.1Z
©
=
Meret
Fiten
—i~
ceramic
pili
boli
tee
ial
o
cv,”
751,
:
°
©
Funiie
—#>
Fun
cses
36743
7
70
NAD
Main
AMPLIFIER
come
2)SER.NO.
§2000~
821250
&
=
bamtal
Oxige
Film
¢
KL
ARM
R706,
714,756,764
51K
2
4
O
O
24
9
No
Mork
Carbon
NO
MARK
Diode
:
ISS!78
B)SER.NO.
$2000~
521280
FIM

Other manuals for NAD 2400

Related product manuals