EasyManua.ls Logo

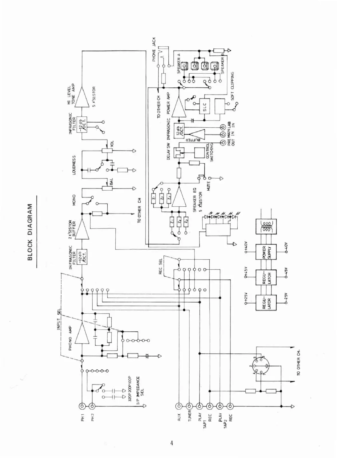
NAD 3140 - System Block Diagram

NAD 3140
35 pages
Print Icon
To Next Page IconTo Next Page
To Next Page IconTo Next Page
To Previous Page IconTo Previous Page
To Previous Page IconTo Previous Page
Loading...

Related product manuals