EasyManua.ls Logo

NAD 602 - Page 15

NAD 602
18 pages
Print Icon
To Next Page IconTo Next Page
To Next Page IconTo Next Page
To Previous Page IconTo Previous Page
To Previous Page IconTo Previous Page
Loading...
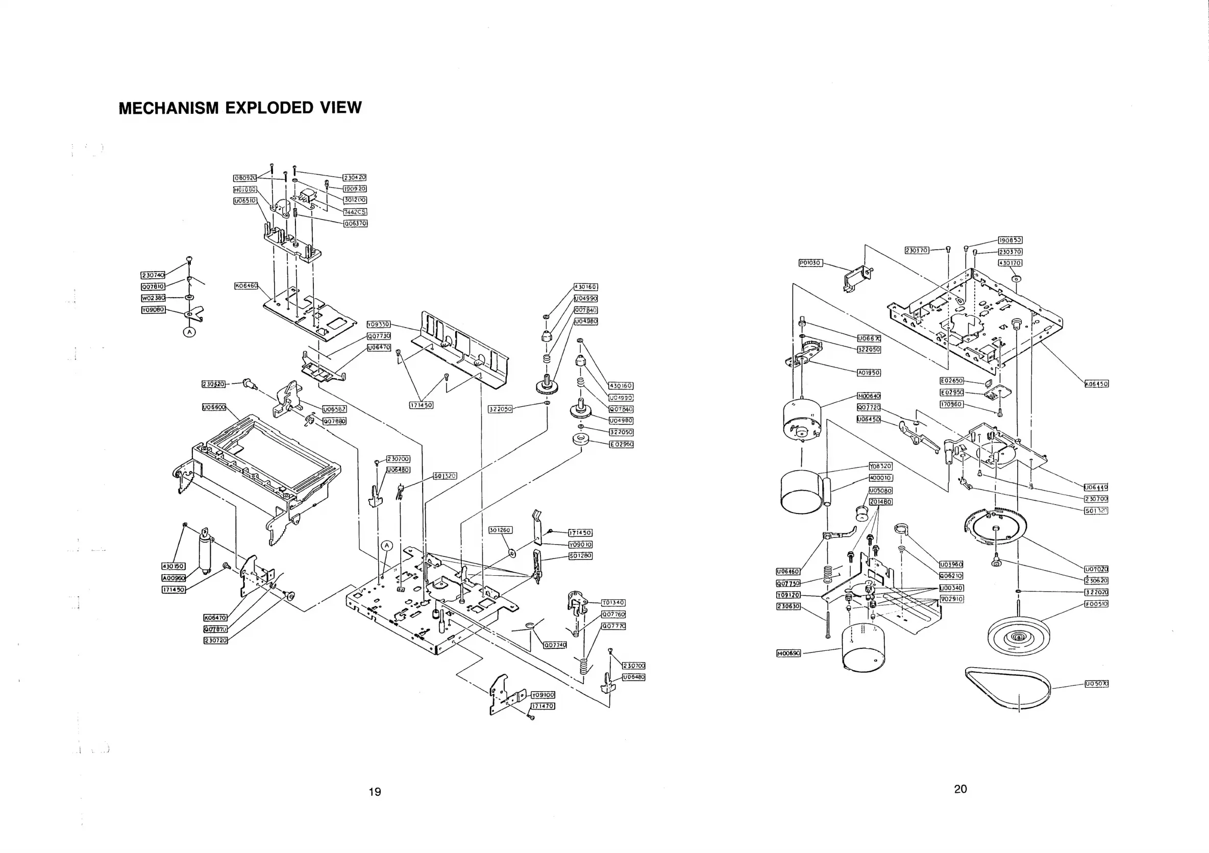
MECHANISM
EXPLODED
VIEW
1998
50
vnlenton,
nee
20
19

Other manuals for NAD 602

Related product manuals