EasyManua.ls Logo

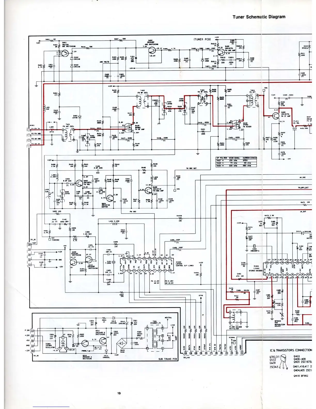
NAD 705 - Tuner Schematic Diagram; Tuner Circuit Schematics

NAD 705
50 pages
Print Icon
To Next Page IconTo Next Page
To Next Page IconTo Next Page
To Previous Page IconTo Previous Page
To Previous Page IconTo Previous Page
Loading...

Other manuals for NAD 705

Related product manuals