EasyManua.ls Logo

NAD CI 940 - Page 14

NAD CI 940
36 pages
Print Icon
To Next Page IconTo Next Page
To Next Page IconTo Next Page
To Previous Page IconTo Previous Page
To Previous Page IconTo Previous Page
Loading...
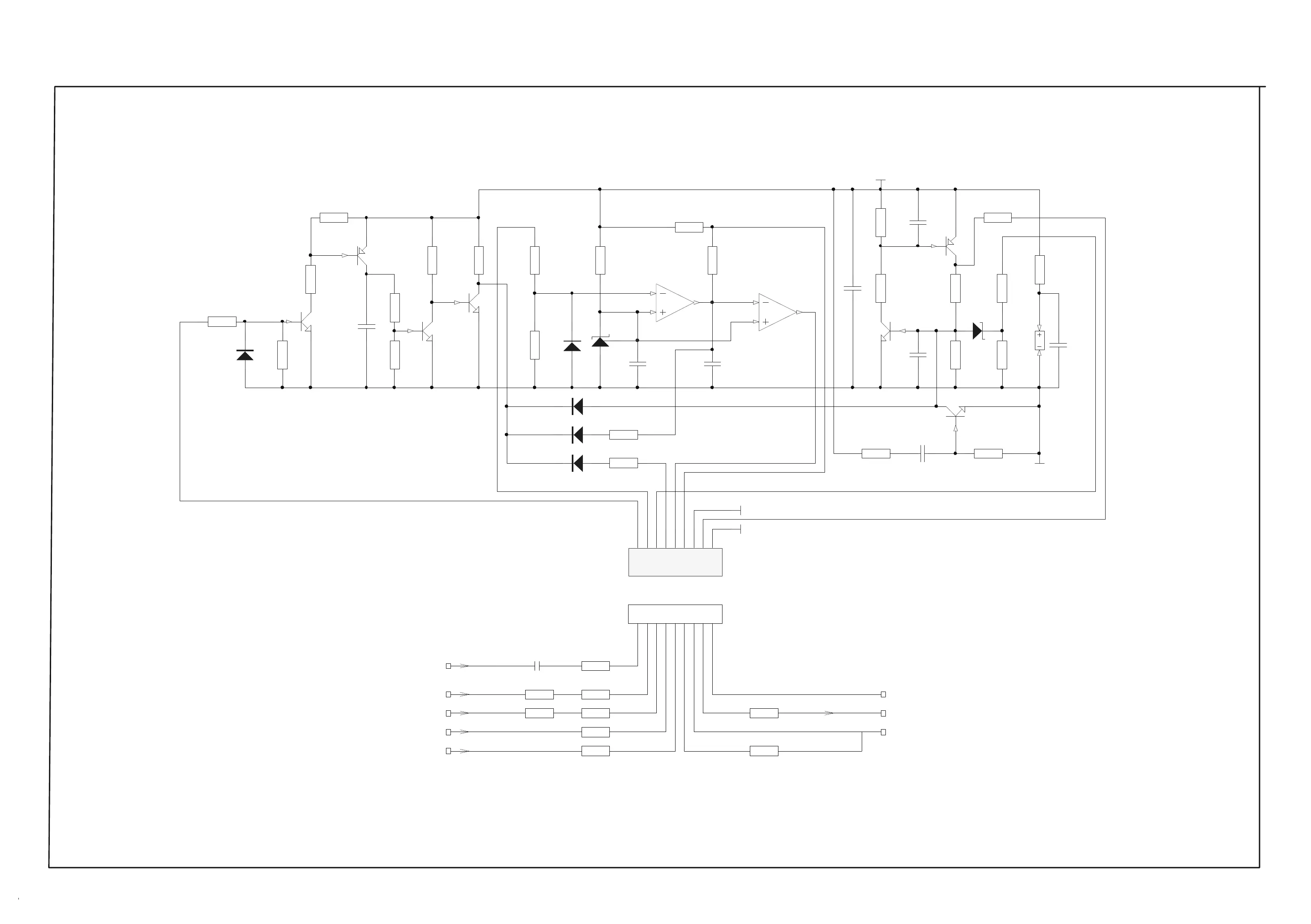
5.DUAL VOLTAGE BOARD
16
1
2
3
4
5
6
7
8
9
J950
TO INT BOARD
R965
1K
R966
2K7
D952
BAS316
R953
100K
R968
100K
C952
220nF/25V
R956
470K
R960
180K
6
5
7
U950B
LM393
84
U950C
LM393
2
3
1
U950A
LM393
D951
BAT54J
R967
10K
R957
10K
C955
1nF/25V
R958
10K
C956
22U/10V(C3216X5R1A226M T)
R959
100K
D954
BAT54J
D955
BAT54J
Q950
BC856BW
Q951
BC856BW
C954
100N
R952
100K
R961
100K
R962
100K
R969
100K
C950
100N
R970
47K
R963
10K
D953
BAT54J
R954
10R
C953
100N
GND
R950
100R
VCC
VCC
GND
R951
909K
C951
220nF/25V
U951
TL431
D950
12V
Q953
BC846BW
Q955
BC846BW
Q952
BC846BW
Q954
BC846BW
9K1
10N1000V
AC--L
AC--N
383K390K
390K390K
HV--DC
TBD
AC-DET
TBD
AC-SW
TBD
ACauto switch delay timeadjust
TBD
VCC12V
DCDETECT output 11V5mA when HV>230VDC
GND
9PIN2.0MM
R964
180K
R955
180K
R972
1K
R971
10K
Q956
BC817-40
R973
470K
R974
220K
C957
4U7

Other manuals for NAD CI 940

Related product manuals