EasyManua.ls Logo

Nat PTA12-300 - Page 24

Nat PTA12-300
34 pages
Print Icon
To Next Page IconTo Next Page
To Next Page IconTo Next Page
To Previous Page IconTo Previous Page
To Previous Page IconTo Previous Page
Loading...
DESIGNED
JH
DRAWN
TAT
:flrrat
NORTHERN
AIRBoRNE TECHNOL0GY
LTD.
DATE APR
NAT
205
NAT
2s5
CHECKED
TITLE
STXIOO
GLOBALSTAR*
SATPHONE
SYSTEM
WITH PTA12_1OO
AND LMCOI-OO1
114
APPROVED
SIZE
B
CAGE CODE
5AB01
PART
NO.
sTXl 00-000
REV.
1.00
SHEET
2/2
F|LE
405-6.DWG
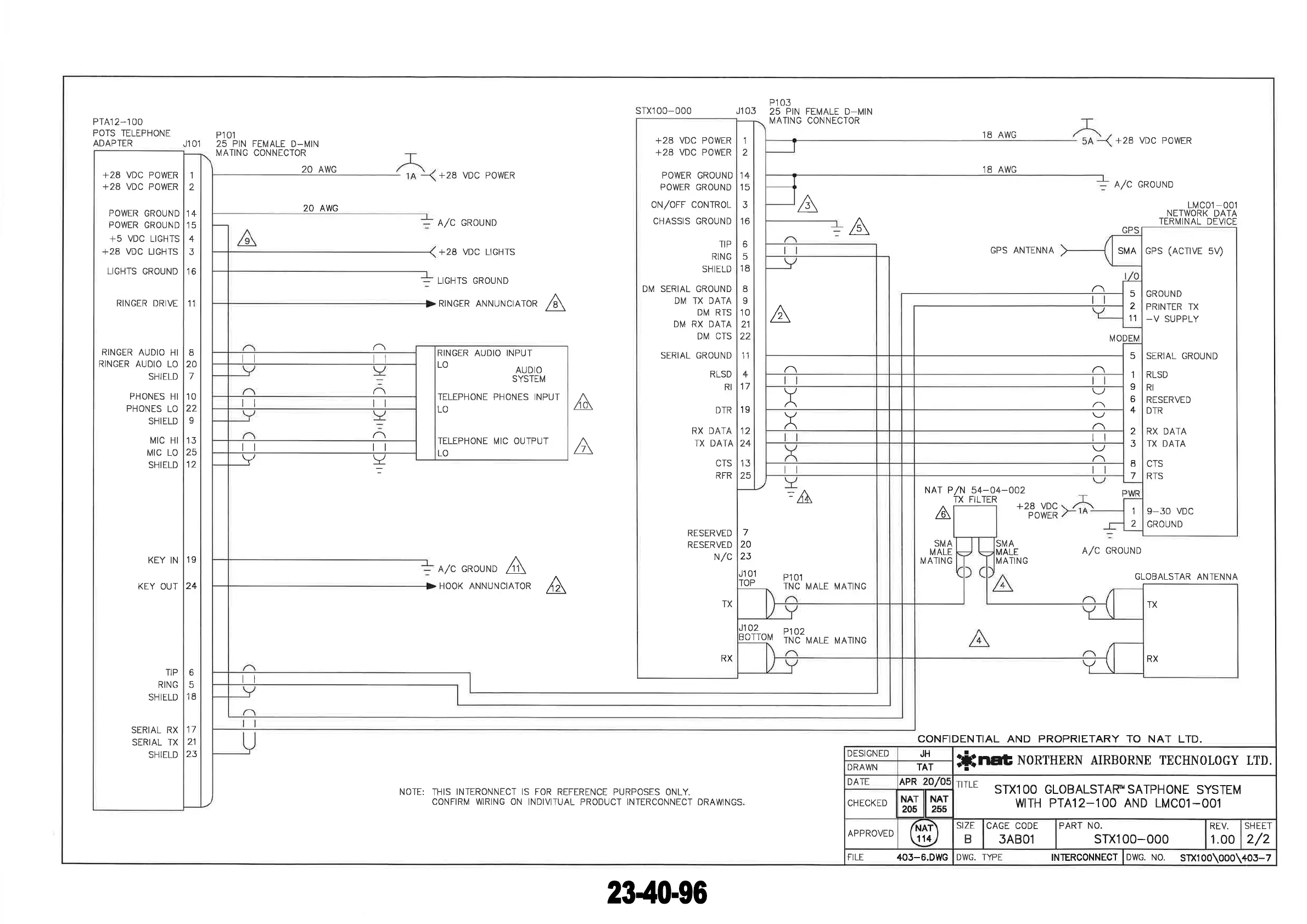
sTXl 00-000 J1 05
P1
03
25 PIN FEMALE D-MIN
MATING CONNECTOR
PTAI
2-1 00
POTS TELEPHONE
ADAPTER
P1 01
25 PIN FEMALE D-MIN
MATINC CONNECTOR
18 AWG
18
AWG
GPS ANTENNA
54-O4-OO2
FILTER
+28 VDC
POWER
S[/A
ALE
MATING
+28 VDC
POWER
A/C GROUND
GPS
J1 01
20 AWG
20 AWG
+28 VDC
POWER
A/C
GROUND
+28 VDC LIGHTS
LIGHTS GROUND
RTNGER ANNUNcTATo*
[
A
A/c GRoUND
GLOBALSTAR
ANTENNA
LMC01
-001
NETWORK
DATA
TERIVINAL
DEVICE
A
A
A
V
=
NAT
P/N
TX
A
o7. .*orro
,/À
HOOK ANNUNCIATOR
^
SMA
MALE
MATING
NOTE:
THIS
INTERONNECT lS FoR
REFERENCE PURPOSES ONLY.
CONFIRM WRING ON
INDIVITUAL PRODUCT INTERCONNECT DRAWNGS
CONFIDENTIAL AND PROPRIETARY
TO
NAT
LTD.
SMA
5
2
11
A
l\/ODEM
tl
tt
tt
tt
X
X
tt
lt
tt
RINGER
AUDIO
INPUT
Lo
AUDro
SYSTEM
TELEPHONE PHONES INPUT
LO
TELEPHONE t\¡lC OUTPUT
LO
tt
tt
Ã
1
I
o
4
2
7
I
7
1
2
14
15
J
16
6
5
18
8
I
10
21
22
11
+
17
19
12
2+
13
25
I
2
GPS
(ACTTVE
sV)
GROUND
PRINTER TX
_V
SUPPLY
SERIAL GROUND
RLSD
RI
RESERVED
DTR
RX DATA
TX DATA
CTS
RTS
9-30
VDC
GROUND
=¿\
7
20
23
J1 01
TOP
P1 01
TNC
MALE MATING
J102
BOTTOM
P1
TN
o2
C
IúALE MATING
TX
RX
+28
VDC
POWER
+28
VDC
POWER
POWER GROUND
POWER GROUND
oN/oFF CONTROL
CHASSIS GROUND
TIP
RING
SHIELD
DM SERIAL GROUND
DM
TX
DATA
Dlì/
RTS
DM
RX DATA
DÌ'/ CTS
SERIAL GROUND
RLSD
RI
DTR
RX
DATA
TX DATA
CTS
RFR
RESERVED
RESERVED
N,/C
TX
RX
ll
1
2
1+
'15
4
z
16
11
8
20
7
10
22
I
13
25
12
19
24
6
R
18
17
21
23
+28 VDC
POWER
+28
VDC POWER
POWER GROUND
POWER GROUND
+5 VDC LIGHTS
+28 VDC LIGHTS
LIGHTS GROUND
RINGER DRIVE
RINGER AUDIO
HI
RINGER
AUDIO LO
SHIELD
PHONES
HI
PHONES
LO
SHIELD
MIC HI
MIC LO
SHIELD
KEY IN
KEY
OUT
TIP
RING
SHIELD
SERIAL
RX
SERIAL TX
SHIELD
DWG. TYPE
INTERCONNECT
DWc.
NO.
Sil100\000\+05-7
The document reference is online, please check the correspondence between the online documentation and the printed version.

Related product manuals