EasyManua.ls Logo

NEC AS120-1 - BLOCK DIAGRAM

NEC AS120-1
31 pages
Print Icon
To Next Page IconTo Next Page
To Next Page IconTo Next Page
To Previous Page IconTo Previous Page
To Previous Page IconTo Previous Page
Loading...
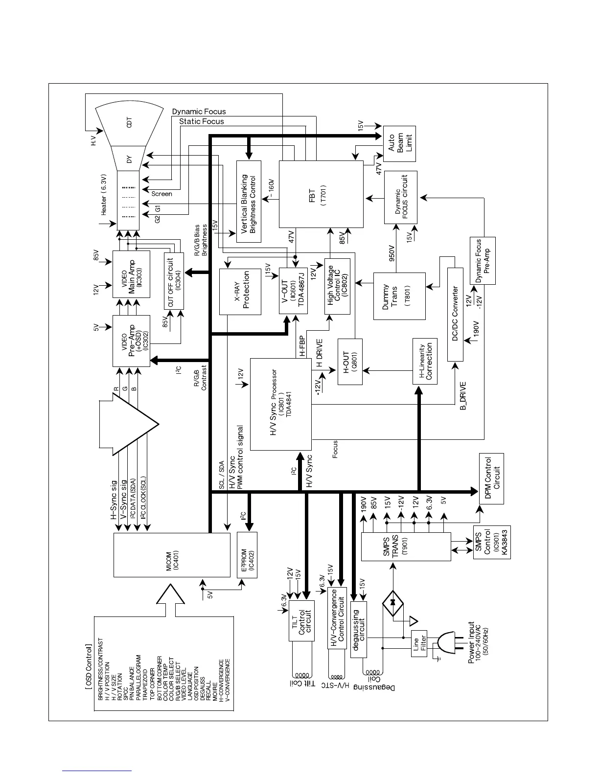
BLOCK DIAGRAM
- 7 -
SIGNAL
INPUT

Related product manuals