EasyManua.ls Logo

NEC MultiSync 4FGe - Page 52

NEC MultiSync 4FGe
192 pages
Print Icon
To Next Page IconTo Next Page
To Next Page IconTo Next Page
To Previous Page IconTo Previous Page
To Previous Page IconTo Previous Page
Loading...
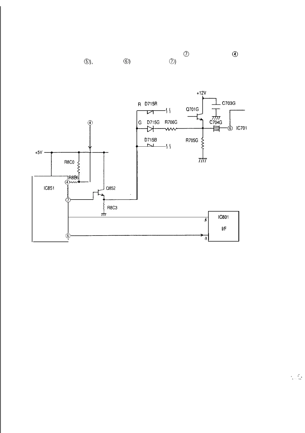
2-3. Self Test Circuit
When the signal cable is disconnected from the video card/computer, pin @ of CN-IN and pin @ of
IC851
(CPU)
are set High. Then H sync
(pin
a),
V sync (pin
@)
and video (pin
0)
compose the CPU generated self test
pattern.
+12V
CN-IN
(
3
I
SELF ID
R
D715R
C703G
N
II
0701G
G
D715G
R706G
--G
c704G
v--
b+q
@
IC701
B
D7i5B
R705G
0
A’
II
L
J,
t5v
RKO
r
RI38
4
Ic651
I
CPU
@
(5)
$
Ic801
I/F
(Fig 2-3-l) Self Test Circuit
51

Related product manuals