EasyManua.ls Logo

NEC MultiSync 4FGe - Page 53

NEC MultiSync 4FGe
192 pages
Print Icon
To Next Page IconTo Next Page
To Next Page IconTo Next Page
To Previous Page IconTo Previous Page
To Previous Page IconTo Previous Page
Loading...
3. Video System
3-1.
Video signal amplifier
-
.
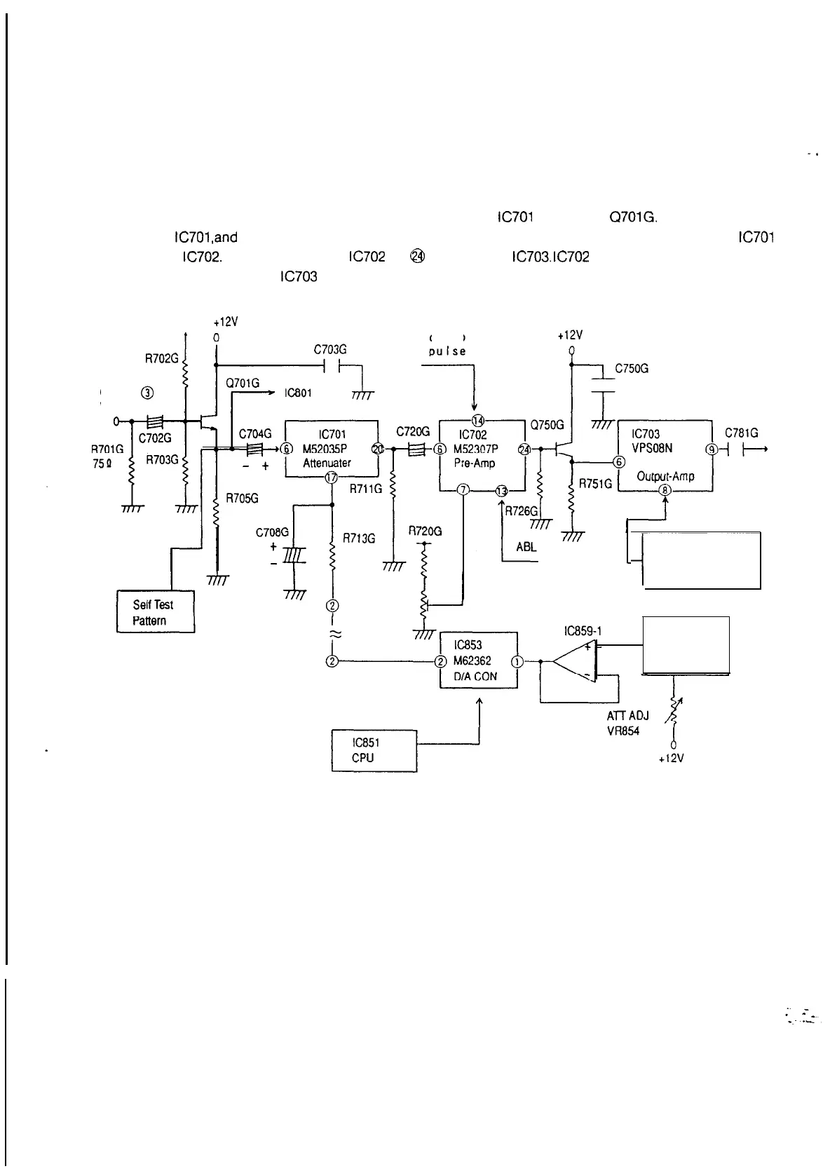
The three video circuits are the same for the each R/G/B color. Threfore only the Green video circuit will be
explained here. The Green video signal input is fed to the pin @of
IC701
through the
Q701G.
The video signal is
attenuated by
IC701
,and
the attenuation level is controlled by the user contrast control. The output signal of
IC701
is supplied to
IC702.
The output signal of
IC702
pin @I is supplied to
IC703.
IC702
is preamplifier, and the gain is
adjustable by the GAIN VR702.
IC703
is output amplifier.
R702G
CN-IN
@
Video input
clamp
G GAIN
VR702
I
ABL
;Ifrr
i
Blanking
Pulse
Video Mute
CN-C
User
Contrast
Control
(Fig 3-l-l) BLOCK DIAGRAM of Video signal amplifier
52

Related product manuals