EasyManua.ls Logo

NEC NP1150 - Page 7

NEC NP1150
9 pages
Print Icon
To Next Page IconTo Next Page
To Next Page IconTo Next Page
To Previous Page IconTo Previous Page
To Previous Page IconTo Previous Page
Loading...
NEC Display Solutions Europe GmbH
NP1150/NP2150/NP3150 Installation Guide
Desktop and Ceiling Mount v 1.6
www.nec-display-solutions.com NP1150/NP2150/NP3150 Page 7 of 9
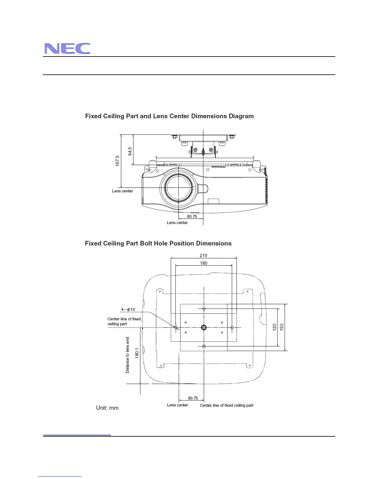
Optional Ceiling Mount Dimensions (Model #: NP05CM)
The following diagrams show ceiling mount dimensions for the NP3150.

Other manuals for NEC NP1150

Related product manuals