EasyManua.ls Logo

Necta Colibri - Page 34

Necta Colibri
48 pages
Print Icon
To Next Page IconTo Next Page
To Next Page IconTo Next Page
To Previous Page IconTo Previous Page
To Previous Page IconTo Previous Page
Loading...
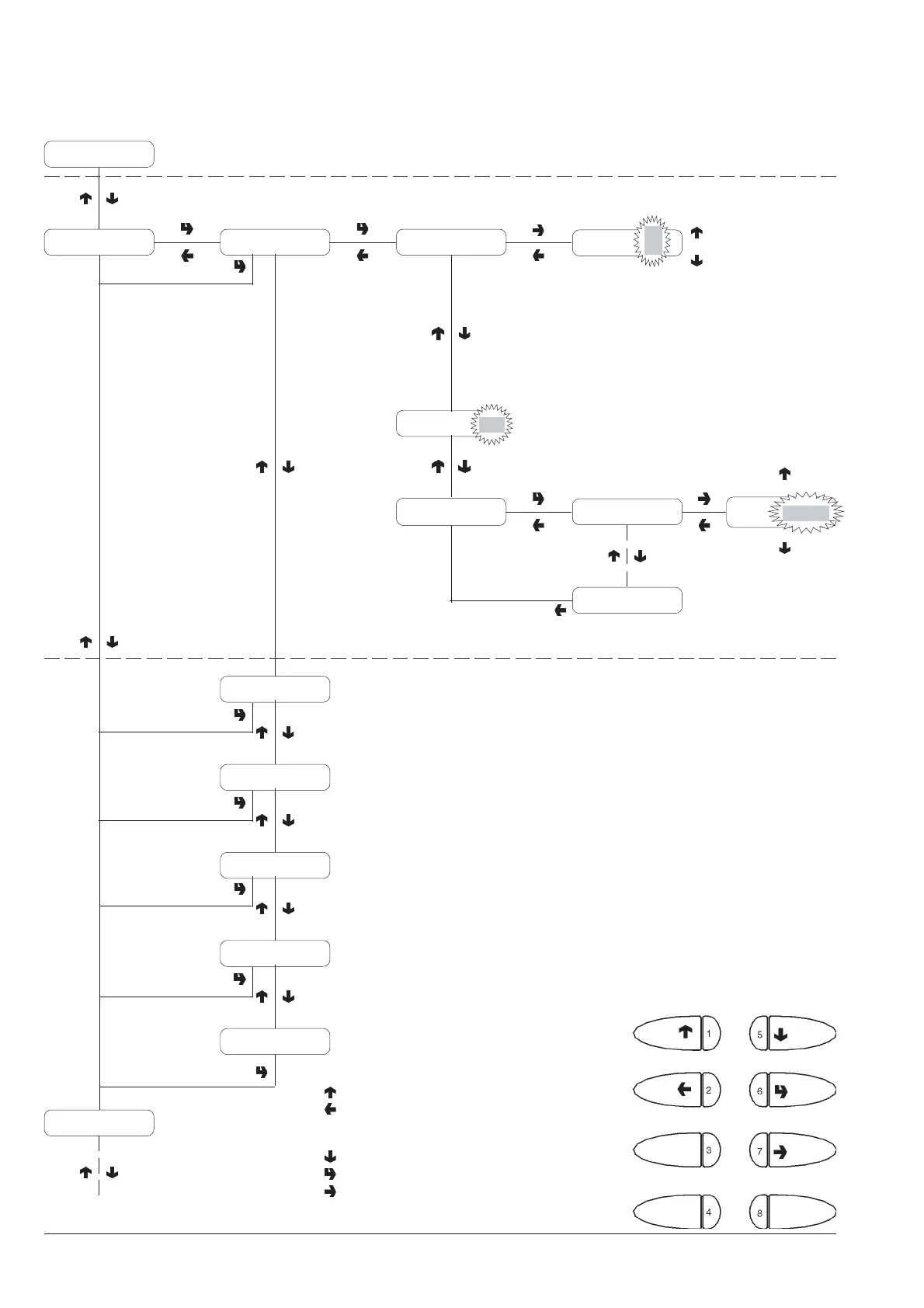
Programming menu
© by NECTA VENDING SOLUTIONS SpA
01-2003 197 00
30
1 - Previous function / Increase data unit (+1)
2 - Exit function / Cancel change
3 - Install machine
4 -
5 - Next function / Decrease data unit (- 1)
6 - Confirm function / Confirm data unit
7 - Change data unit
8 - Reset failures
VALIDATOR SETTING
Payment system Validator
Executive Std
Credit
Basic unit/dP
Power supply 12-24 V
Coin line value
A to F
Line A
Credit
Excess credit available
Ex. Price Holding
Exec. UKEY
Exec. ECS
Initialising
Validator lines
Line A XXXX
Line F XXXX
ON
Power supply
12V
XXXX
XXX - 1
XXX + 1
ON
OFF
Totalizer

Table of Contents

Other manuals for Necta Colibri

Related product manuals