EasyManua.ls Logo

Necta Colibri - Page 36

Necta Colibri
48 pages
Print Icon
To Next Page IconTo Next Page
To Next Page IconTo Next Page
To Previous Page IconTo Previous Page
To Previous Page IconTo Previous Page
Loading...
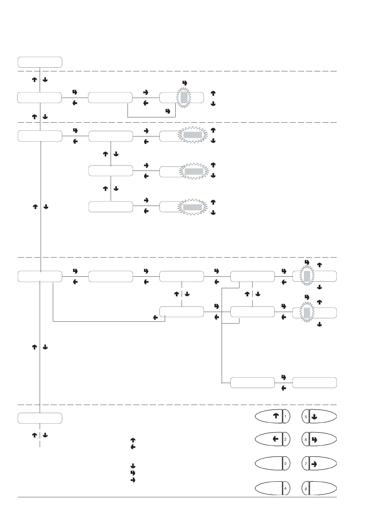
Programming menu
© by NECTA VENDING SOLUTIONS SpA
01-2003 197 00
32
1 - Previous function / Increase data unit (+1)
2 - Exit function / Cancel change
3 - Install machine
4 -
5 - Next function / Decrease data unit (- 1)
6 - Confirm function / Confirm data unit
7 - Change data unit
8 - Reset failures
Code = 0000 Code = 000
Machine identification code
Fast cycles Fast cycles
Password ####
Espresso coffee
Instant
P =nnnn;A=nnnn
P =nnnn;A=nnnn
P = nnn;A=nnnn
Upon entering the 4th digit the new
value is confirmed
P = No. of programmed selections
A = No. of selections made
P = nnn;A=nnnn
X
Cancel Confirm?
Reset counters of
selections made
8
Equipped cabinet
Cabinet
Warning device for full
liquid waste container in the
cabinet
X
OFF
ON
X
X + 1
X - 1
ON
OFF
ON
OFF
X - 1
X + 1
X - 1
X + 1
Prom. message
Selection counter
Machine config.
Machine code
Initialising
Tank Tank
OFF
ON
OFF
Water supply from the
mains

Table of Contents

Other manuals for Necta Colibri

Related product manuals