EasyManua.ls Logo

Necta Colibri - Page 43

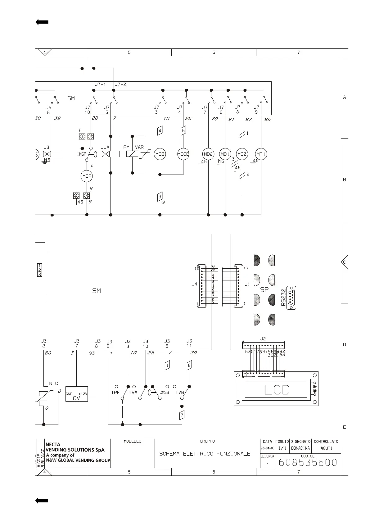
Necta Colibri
48 pages
Print Icon
To Next Page IconTo Next Page
To Next Page IconTo Next Page
To Previous Page IconTo Previous Page
To Previous Page IconTo Previous Page
Loading...
ColibrìColibrì
InstantInstant
Sx35600Sx35600

Table of Contents

Other manuals for Necta Colibri

Related product manuals