EasyManua.ls Logo

Newlong DKN-3W - Crank Shaft & Main Shaft Parts View and List

Default Icon
37 pages
Print Icon
To Next Page IconTo Next Page
To Next Page IconTo Next Page
To Previous Page IconTo Previous Page
To Previous Page IconTo Previous Page
Loading...
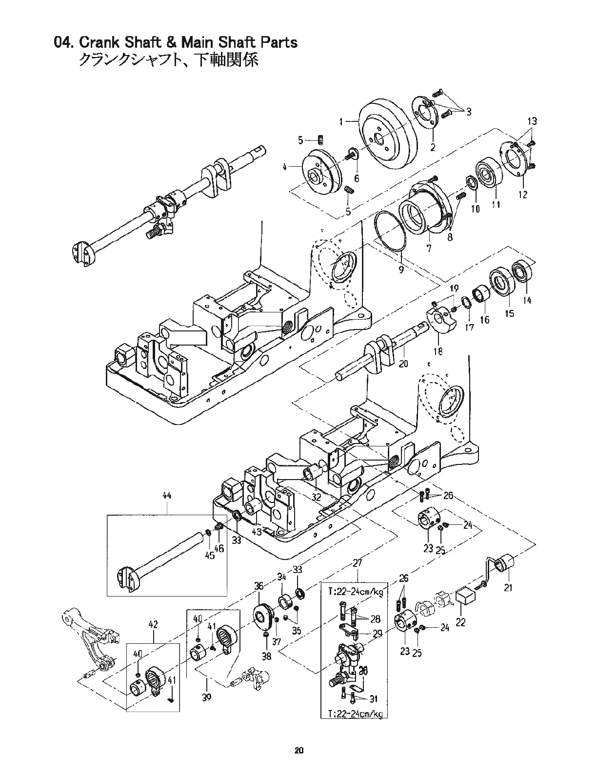
04. Crank Shaft & M .
-?7'./-?:/-y
7
L
~
Shaft Parts
r,
,.
$dl001*
20
From the Library of Superior Sewing Machine & Supply LLC

Related product manuals