EasyManua.ls Logo

Newlong DKN-3W - Looper Drive & Connecting Rod Parts View and List

Default Icon
37 pages
Print Icon
To Next Page IconTo Next Page
To Next Page IconTo Next Page
To Previous Page IconTo Previous Page
To Previous Page IconTo Previous Page
Loading...
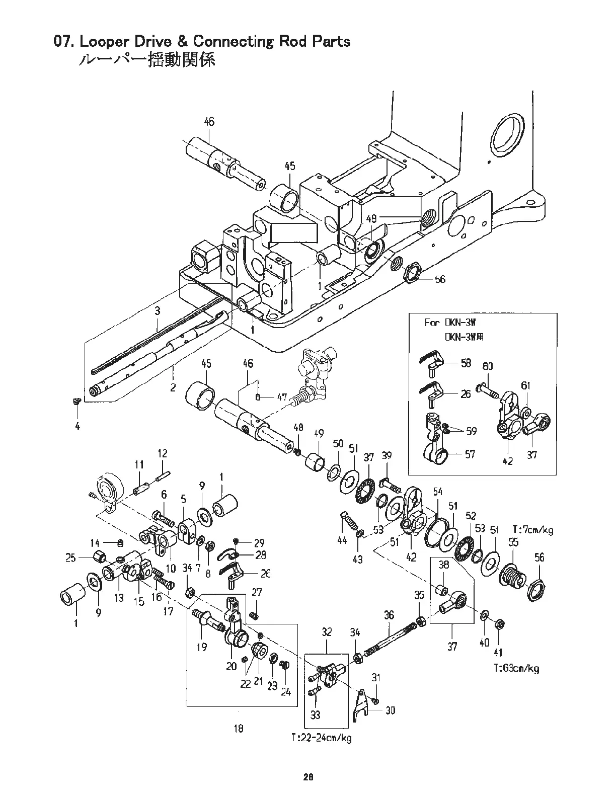
07. Looper Drive & Connecting
Rod
Parts
Iv-
.r~
-ffllb
M-f*
46
i
4
12
~5
·,
25
33
18
T:
22-24cri/kg
26
31
~30
For
OKN-3W
OKN-3WRI
37
41
T:63cn/kg
From the Library of Superior Sewing Machine & Supply LLC

Related product manuals