EasyManua.ls Logo

Nexo LS500 - TDcontroller Electronic Block Diagrams; PS15 TD MK2 Block Diagram; PS8 TD;PS10 TD Controller Diagram

Default Icon
42 pages
Print Icon
To Next Page IconTo Next Page
To Next Page IconTo Next Page
To Previous Page IconTo Previous Page
To Previous Page IconTo Previous Page
Loading...
TDCONTROLLER REFERENCE GUIDE
___________________________________________________________________________________________________
P.2
5
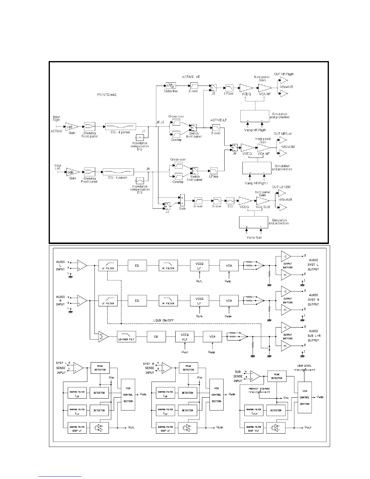
Electronic block diagram
PS8TD & PS10TDcontroller Block Diagramm

Related product manuals