EasyManua.ls Logo

Nice mindy A60

Nice mindy A60
116 pages
To Next Page IconTo Next Page
To Next Page IconTo Next Page
To Previous Page IconTo Previous Page
To Previous Page IconTo Previous Page
Loading...
22
3.5) Note sui collegamenti
La maggior parte dei collegamenti è estremamente semplice, buona parte sono collegamenti diretti ad un singolo utilizzatore o contatto,
alcuni invece prevedono una connessione un po’ più complessa:
Tutti i motori di tipo asincrono monofase richiedono un condensatore per il corretto funzionamento, alcuni motoriduttori, hanno già questo
condensatore collegato internamente, altri invece richiedono il collegamento del condensatore esternamente. In questo caso il condensatore
va collegato fra le fasi APRE e CHIUDE del motore. Per praticità è opportuno inserire il condensatore direttamente dentro alla centrale.
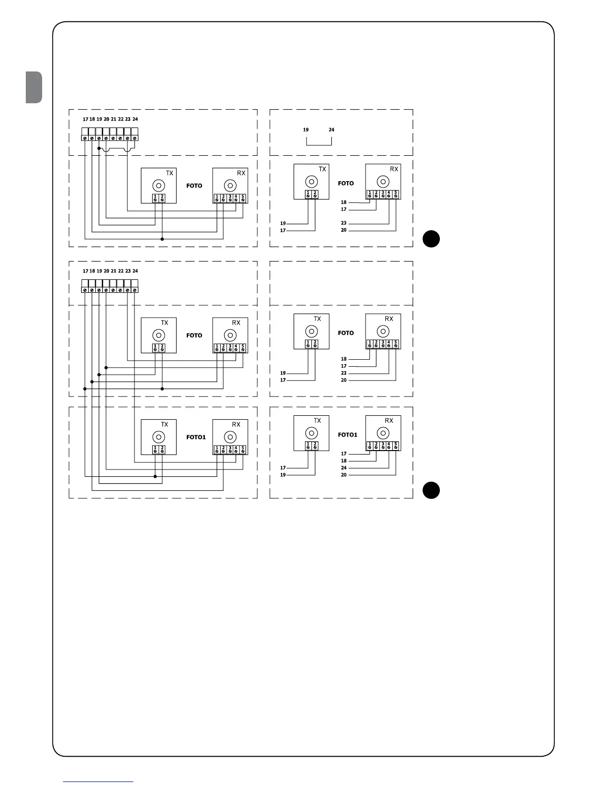
Il “Fototest”, aumenta l’afdabilità dei dispositivi di sicurezza, per-
mettendodiraggiungerela“categoria2”secondolanormaEN954-
1(ediz.12/1996)perquantoriguardal’insiemecentraleefotocellule
di sicurezza.
Ogni volta che viene avviata una manovra vengono controllati i
dispositivi di sicurezza coinvolti, solo se tutto è a posto la manovra
hainizio.Seinveceiltestnondaesitopositivo(fotocellulaaccecata
dalsole,caviincortocircuitoecc.)vieneindividuatoilguastoela
manovra non viene eseguita.
Tutto questo è possibile:
•ImpostandoilDip.10ON
•Collegando i dispositivi di sicurezza come in  se si utilizza
solamente l’uscita FOTO o come in   se si utilizza anche
FOTO1.
I collegamenti prevedono di alimentare i trasmettitori delle fotocel-
lule non direttamente dall’uscita dei servizi, ma tramite l’apposita
uscita FOTOTEST. La corrente massima utilizzabile sull’uscita
FOTOTESTèdi75mA(3coppiedifotocellule).
•Alimentandoiricevitoridirettamentedall’uscitaservizidellacentra-
le(morsetti17-18).
Il test delle fotocellule avviene in questo modo: quando è richiesto
un movimento, in primo luogo viene controllato che tutti i ricevitori
interessati dal movimento diano il consenso, poi, viene spenta l’a-
limentazione ai trasmettitori e quindi vericato che tutti i ricevitori
segnalino il fatto togliendo il loro consenso; inne viene riattivata
l’alimentazione dei trasmettitori e quindi nuovamente vericato il
consenso da parte di tutti i ricevitori. Solo se questa sequenza ha
esito positivo, la manovra verrà avviata.
E’ sempre bene inoltre attivare il sincronismo attraverso il taglio sui
trasmettitori, degli appositi ponticelli; questo è l’unico metodo per
garantire che due coppie di fotocellule non interferiscano tra loro.
Vericare sul manuale delle fotocellule le istruzioni per il funziona-
mento“SINCRONIZZATO”.
Nel caso un ingresso sottoposto a FOTOTEST non venga utilizzato
(EsempioFOTO1)esidesidericomunquelafunzionefototestoccor-
reponticellarel’ingressononusatoconl’uscitaFOTOTEST(morsetti
19–24)vedi.
Se in un secondo momento non si desidera più utilizzare la funzione
diFototest,saràsufcienteabbassareilDip.10.
5
5a
IT

Table of Contents

Other manuals for Nice mindy A60

Related product manuals