EasyManua.ls Logo

Nice PLUTO PL 4005 - Spare Parts Catalogue

Default Icon
16 pages
Print Icon
To Next Page IconTo Next Page
To Next Page IconTo Next Page
To Previous Page IconTo Previous Page
To Previous Page IconTo Previous Page
Loading...
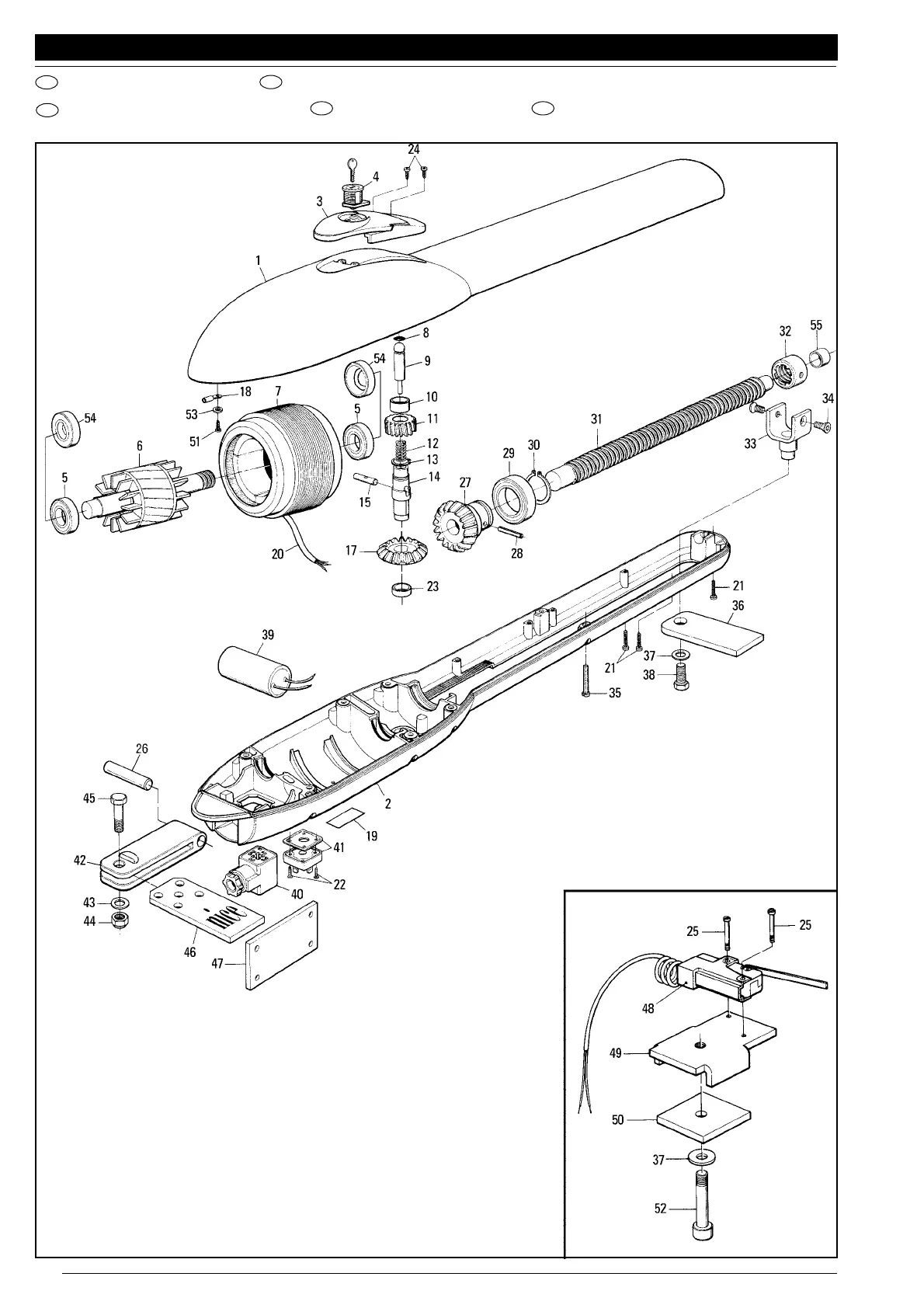
PLUTO
14
CATALOGO RICAMBI
SPARE PARTS CATALOGUE
GB
I
CATALOGUE DES RECHANGES
ERSATZTEILKATALOG
CATÁLOGO DE RECAMBIOS
F
E
D

Related product manuals