EasyManua.ls Logo

Nice ROBO600 - Page 13

Default Icon
32 pages
Print Icon
To Next Page IconTo Next Page
To Next Page IconTo Next Page
To Previous Page IconTo Previous Page
To Previous Page IconTo Previous Page
Loading...
English – 11
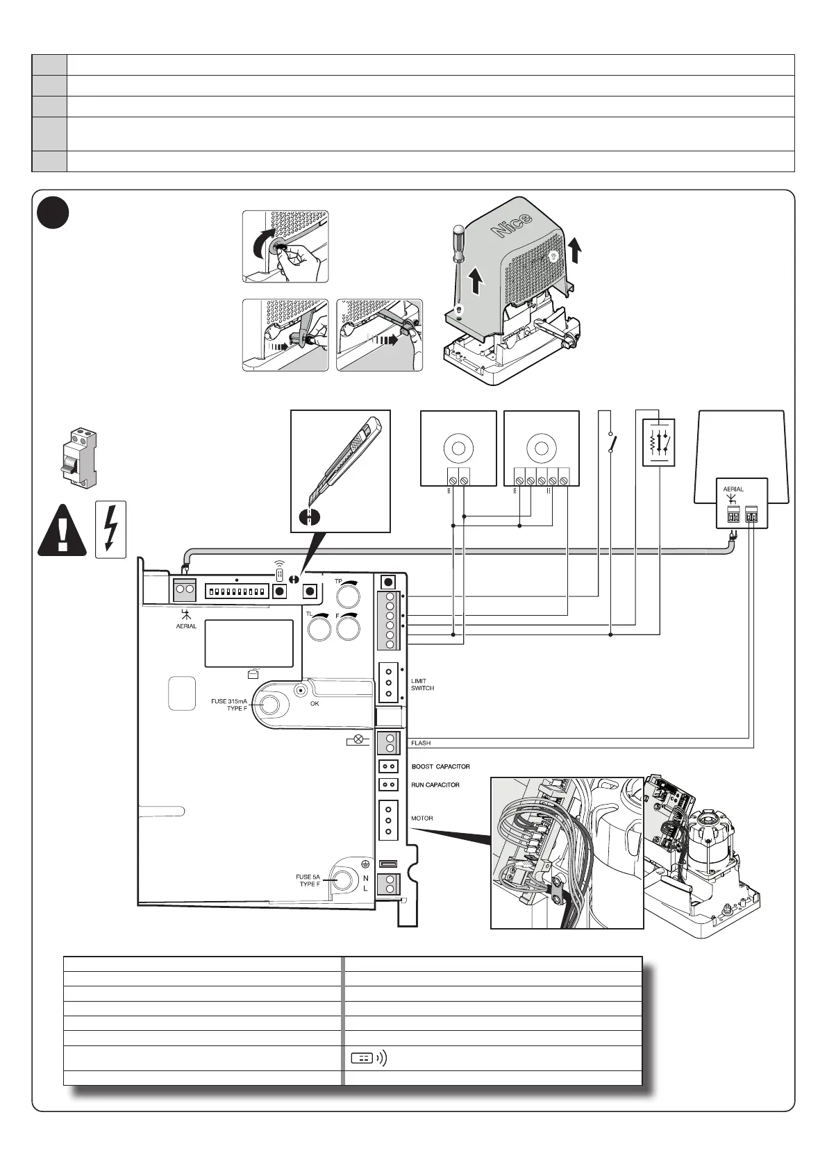
To make the electrical hookup, proceed as described below with reference to g. 7:
01. Unlock the gearmotor
02. Open the cover: remove the two screws and lift the casing
03. Run the power cable through the hole (leave 20/30 cm of free cable) and connect it to its terminal clamp
04. Run the cables of the equipment to be installed or already present through the provided hole (leave 20/30 cm of free cable) and connect
them to their terminal clamps (see g. 7)
05. Perform the desired programming: chapter 7
7
PROGRAM SWITCH
LED RADIO R
RADIO
SbS
IBT4N
FLASH
230 V
2
LED FCA
LED FCC
LED SbS
LED PHOTO
LED STOP
LED:
1
1234
5 678910
5421
NO
NO
NC
8k2
NO
12 13
11
10
9
8
PROGRAM
TLM
TLM
RX
21 543
24V
24V
0V
0V
24V
TX
1 2
OFF
1
2
4
3
AERIAL = AERIAL LIMIT SWITCH = LIMIT SWITCH
PROGRAM SWITCH = MICRO SWITCHES FLASH = FLASHER
LED RADIO = RADIO LED BOOST CAPACITOR = BOOST CAPACITOR
LED PHOTO = PHOTOCELL LEDS RUN CAPACITOR = RUN CAPACITOR
LED SbS = STEP-BY-STEP LED MOTOR = MOTOR
LED OK = OK LED FUSE = FUSE
SbS = STEP BY STEP KEY
= RADIO KEY
PROGRAM = PROGRAMMING KEY