EasyManua.ls Logo

Nice SD Series - Page 39

Nice SD Series
100 pages
Print Icon
To Next Page IconTo Next Page
To Next Page IconTo Next Page
To Previous Page IconTo Previous Page
To Previous Page IconTo Previous Page
Loading...
FR
Français – 9
Uniquement avec les motoréducteurs 0,55-20
Diamètre arbre creux : 25,4 ou 31,75 mm.
Lors du montage depuis la gauche de
motoréducteurs avec un arbre de 31,75 mm de
diamètre, la clavette (languette) ne doit être bloquée
qu’avec une bague de fixation parce que l’utilisation
d’une vis risquerait de provoquer la rupture de
l’arbre !!
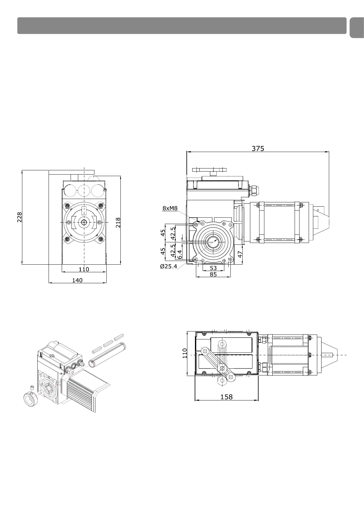
SCHÉMAS CÔTÉS MOTORÉDUCTEURS POUR PORTES SECTIONNELLES
Motoréducteurs avec débrayage par câble
SD-100-24-E
SD-120-20-E
SD-140-20-E

Related product manuals