EasyManua.ls Logo

Nice SD Series - Page 53

Nice SD Series
100 pages
Print Icon
To Next Page IconTo Next Page
To Next Page IconTo Next Page
To Previous Page IconTo Previous Page
To Previous Page IconTo Previous Page
Loading...
ES
Español – 9
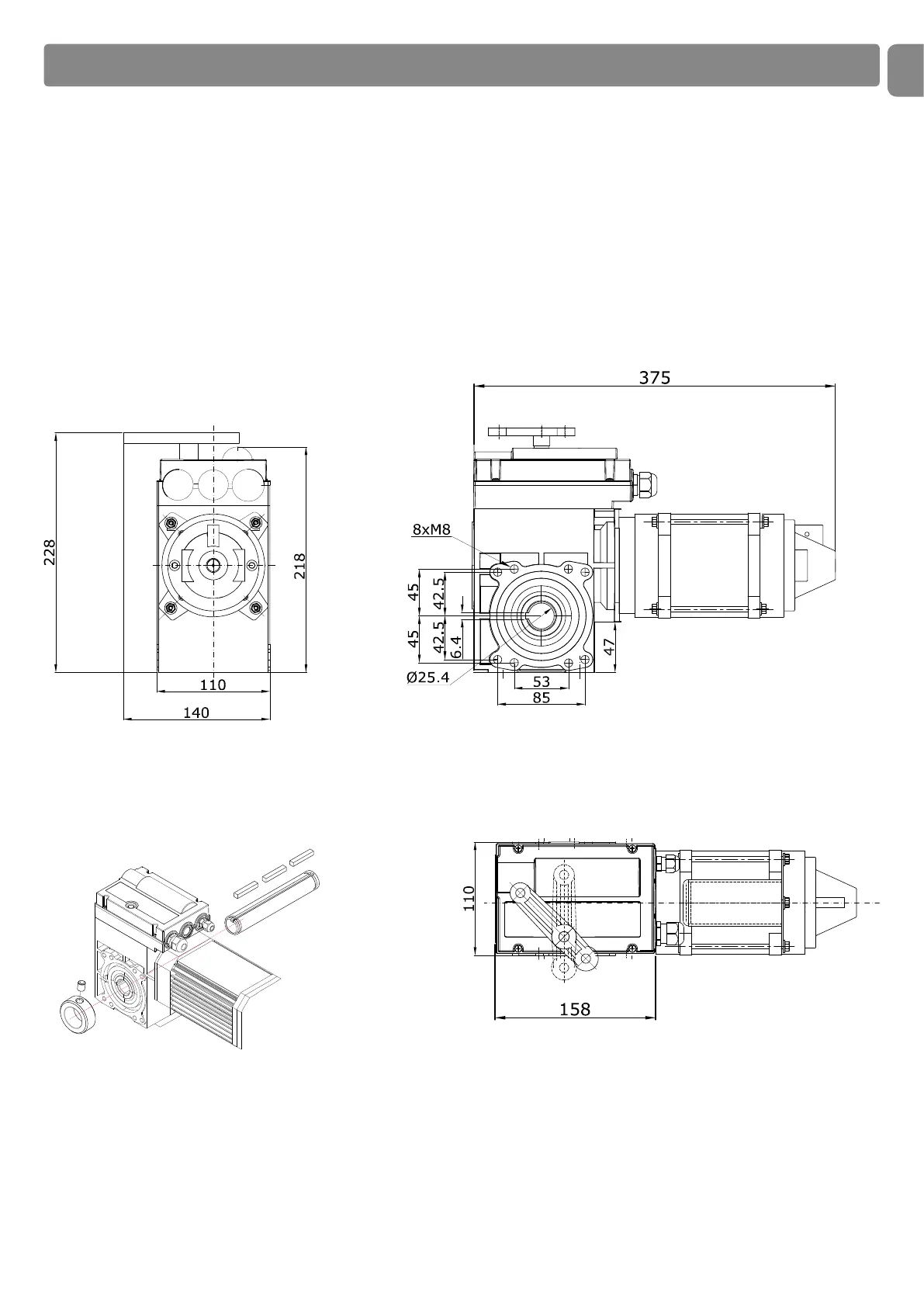
Sólo con los motorreductores 0,55-20
Diámetro del eje hueco; 25,4 o 31,75 mm.
¡¡Durante el montaje de motorreductores con eje
de 31,75 mm por la izquierda, la llave (lengüeta)
se debe bloquear sólo y exclusivamente con un
anillo de fijación ya que la fijación mediante tornillos
pudiera provocar la rotura del eje!!
ESQUEMAS ACOTADOS DEL MOTORREDUCTOR PARA PUERTAS SECCIONALES
Motorreductores con desbloqueo de cables
SD-100-24-E
SD-120-20-E
SD-140-20-E

Related product manuals