EasyManua.ls Logo

Nice SD Series - Page 95

Nice SD Series
100 pages
Print Icon
To Next Page IconTo Next Page
To Next Page IconTo Next Page
To Previous Page IconTo Previous Page
To Previous Page IconTo Previous Page
Loading...
NL
Nederlands – 9
Alleen met de reductiemotoren 0,55-20
Diameter holle as; 25,4 of 31,75 mm.
Tijdens de montage vanaf links van de
reductiemotoren met een asdiameter van 31,75
mm wordt de spie (lip) alleen en uitsluitend
geblokkeerd met een aansluitring, aangezien de as
stuk zou kunnen gaan door het gebruik van een
schroef!!
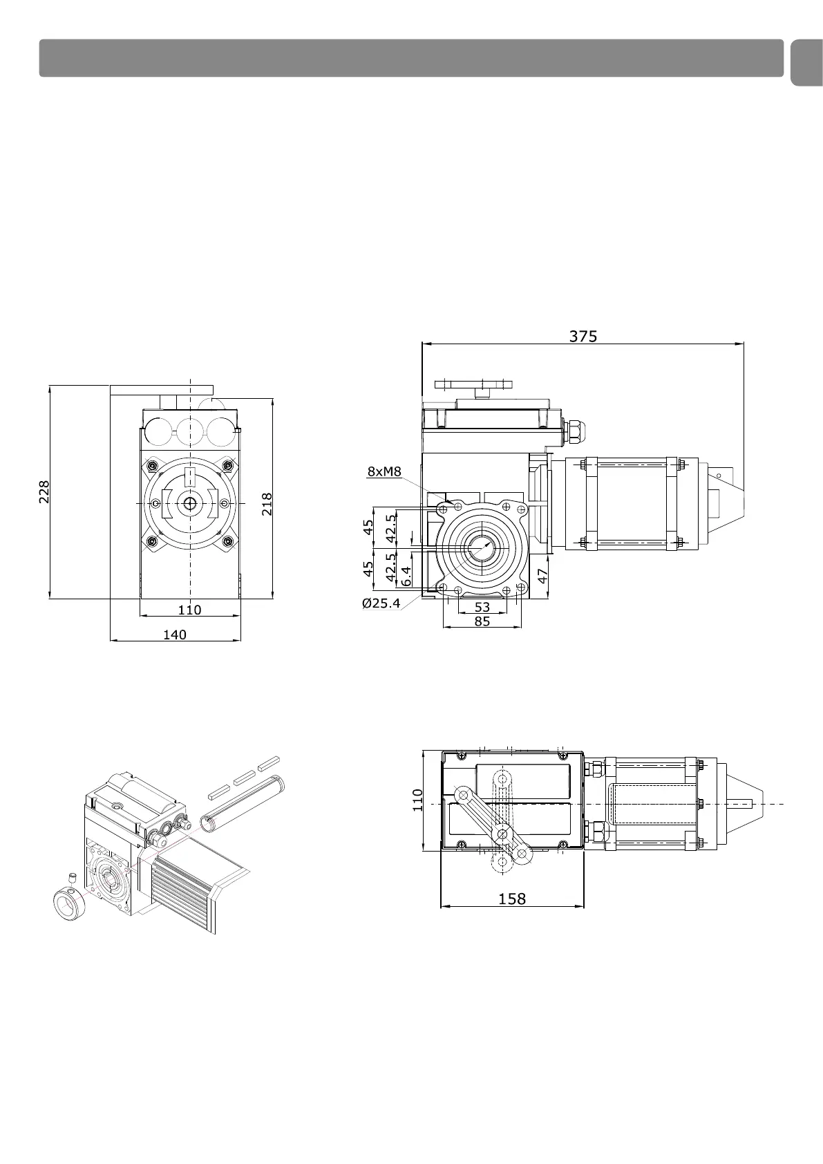
MAATSCHETSEN REDUCTIEMOTOREN VOOR SECTIONALE DEUREN
Reductiemotoren met kabel deblokkering
SD-100-24-E
SD-120-20-E
SD-140-20-E

Related product manuals