EasyManua.ls Logo

Nittan EVCA-P - Section 3 - Dimensions; Section 4 - Terminals

Default Icon
16 pages
Print Icon
To Next Page IconTo Next Page
To Next Page IconTo Next Page
To Previous Page IconTo Previous Page
To Previous Page IconTo Previous Page
Loading...
DW1500110 Rev.K1
Sep 18 2015
3
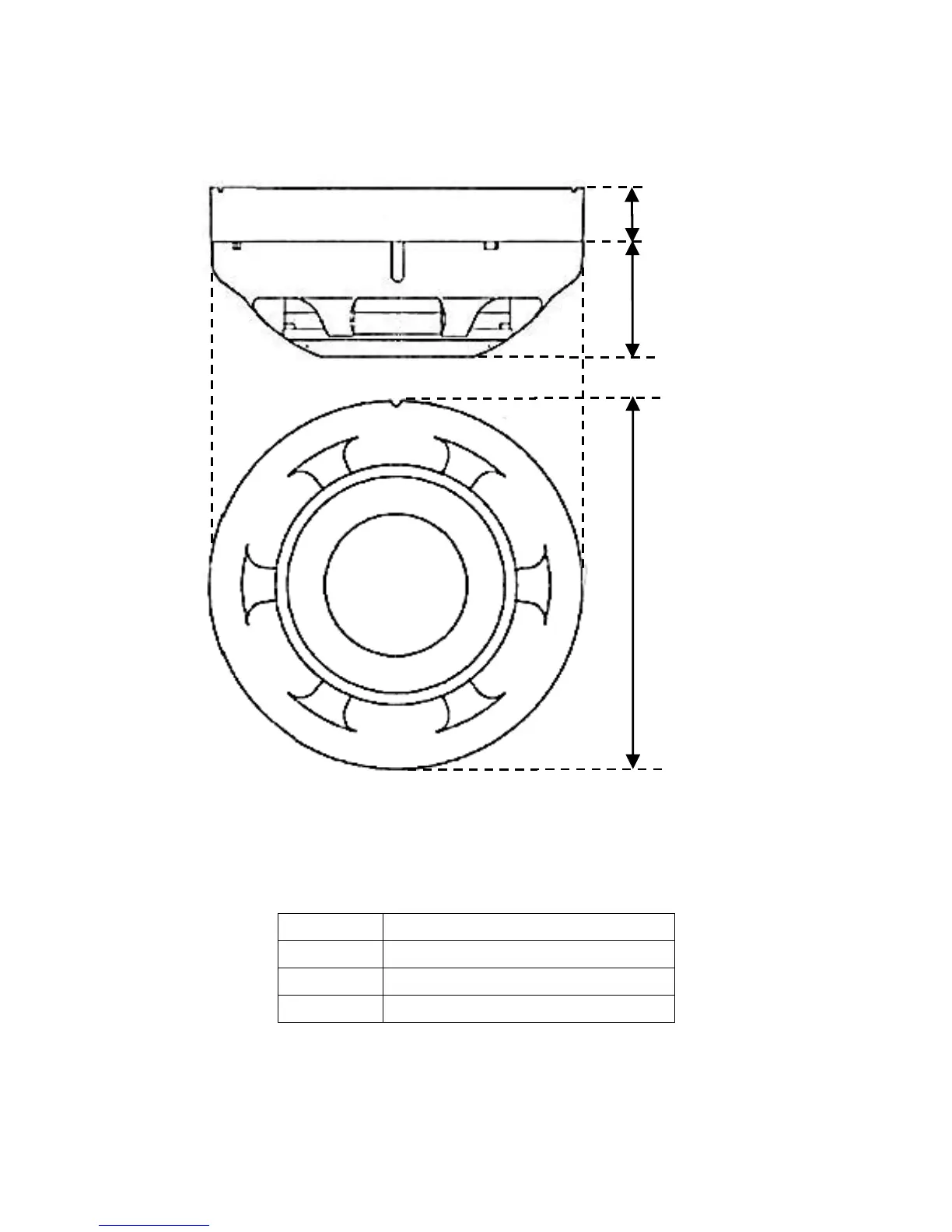
Section 3 DIMENSIONS
Figure1:Dimension of EVCA-P
Section 4 TERMINALS
The EVCA-P smoke detector has three terminal connections and the terminals are configured as follows:
Terminal
Description
1
Zone negative in
3
Zone positive in/out
6
Zone negative out
33.0 (1.30)
15.0 (0.59)
104.0 (4.09)
mm (Inch)

Related product manuals