EasyManua.ls Logo

Noritz NCC300DV - 3. Quick Connect Multi System Installation

Noritz NCC300DV
54 pages
Print Icon
To Next Page IconTo Next Page
To Next Page IconTo Next Page
To Previous Page IconTo Previous Page
To Previous Page IconTo Previous Page
Loading...
3
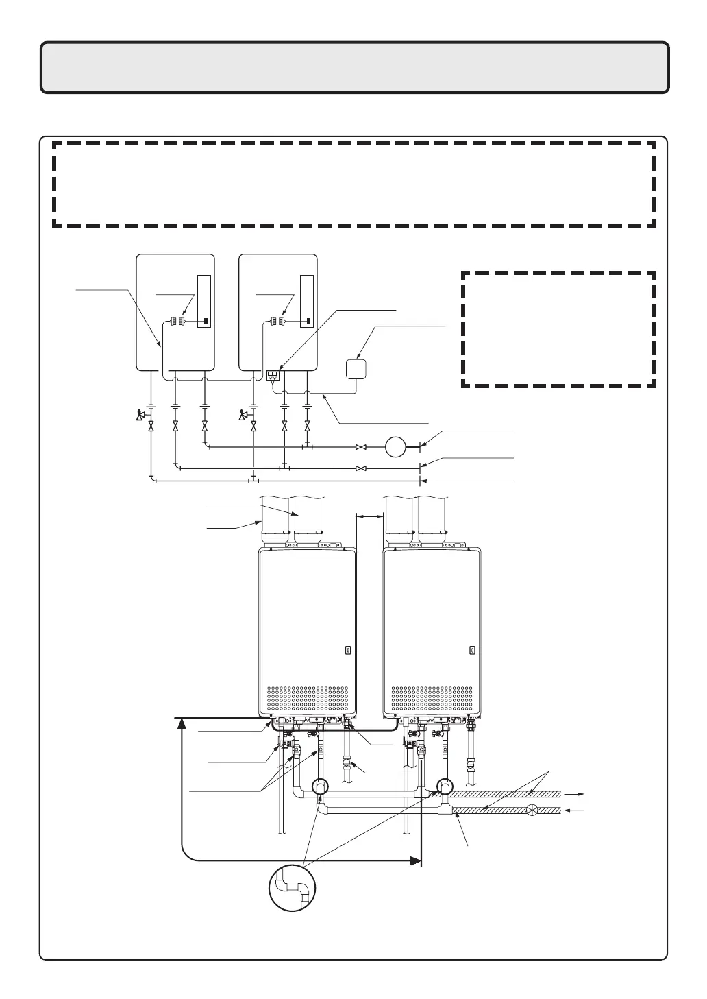
To drain outletTo drain outlet
To drain outlet
Cold Water
Hot Water
Quick Connect Cord
Union
Gas Valve
Pressure
Relief Valve
Isolation Valve*
* Isolation valves are
necessary for flushing
the Heat Exchanger.
They allow for
easy flushing of
the system.
Make this distance as
short as possible.
The hot water temperatur
e
will become unstable as
the pipe length increases.
Size the piping to allow for the
maximum flow rates of the units.
The backflow preventer should be placed
upstream of the cold water branch.
Leave enough clearance around the plumbing to apply insulation.
It will be necessary to add bends to the piping to ensure
that this clearanceis available.
Distance on sides
3-17" (75-432mm)
Exhaust
Intake
G
Quick Connect
Cord
Remote Controller Cord
Gas Supply Piping
Cold Water Supply
Hot Water
Remote Controller
Terminal Block
Cord
Connector
Cord
Connector
3.
Quick Connect Multi System Installation
The Quick Connect Multi System allows the installation of two units together utilizing only the Quick
Connect Cord.
Typical Plumbing
* When connecting two units, use only a
single remote controller.
System Diagram
Insulate the hot water piping to prevent heat loss. Insulate and apply heating materials to the
cold water supply piping to prevent heat loss and freezing of pipes when exposed to excessively
cold temperatures.
The Quick Connect Cord is 6 ft.(2m) long. Install the units 3-17" (75 - 432mm) apart from each
other to ensure the cord will be able to reach between the units. (See Typical Plumbing diagram).
(If the distance between the two units is too great, not only will the cord not be able to reach,
but the water temperature may also become unstable because of the di󰀨erence in pipe length
between the two units).
Note: Connect the remote
controller to only one
of the units.
Units must be same
model in order to
quick connect.

Related product manuals