EasyManua.ls Logo

Norsup P35TX/32 - Page 51

Default Icon
105 pages
Print Icon
To Next Page IconTo Next Page
To Next Page IconTo Next Page
To Previous Page IconTo Previous Page
To Previous Page IconTo Previous Page
Loading...
ENNL
FR
DA
SV
EN
DE
SWIMMBAD-WÄRMEPUMPEN ART PXSWIMMBAD-WÄRMEPUMPEN ART PX
100
101
Änderungen, die dem technischen Fortschritt dienen, sowie Irrtümer vorbehalten! ORIGINALBETRIEBSANLEITUNG NORSUPWWW.NORSUP.EU Änderungen, die dem technischen Fortschritt dienen, sowie Irrtümer vorbehalten!
40
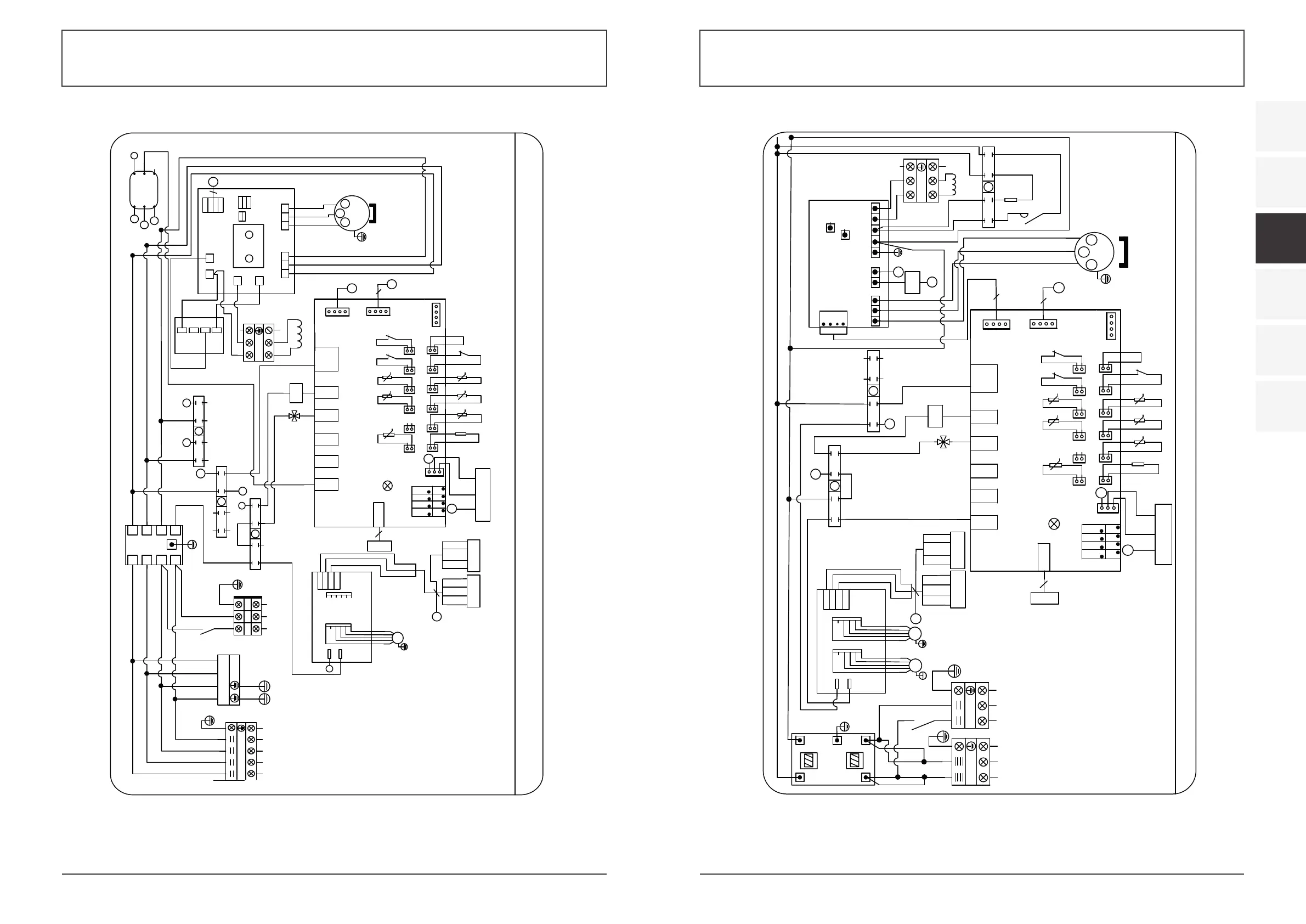
6. ANHANG
6.1 Schaltplan
CODE˖20181128-0009
K2
N
1
3
24
5
6
7
8
01
N
L
N
N
N
N
N
4V
1
3
24
5
6
7
8
02
N
L
G/G
Gelb
P
N
L
N
Rot
Blau
PUMPEN
<10A
$
*1'
9
%
3
:89
3
3(
$&1 $&/
/ /
&1
&1
&1
&1
&1
&1
3
3
/
1
8
9
:
$&,:0
COMP
8
9
:
U
W
V
Rot
Schwarz
Weiß
PTC
K2
N
N
N
1
3
24
5
6
7
8
03
L4
/
/
/
3
L
1
KM1
L
N
N
P26X/32
K2
1
N
N
L
L
$&/RXW
$&1RXW$&1LQ
$&/LQ
(0,
CN1
FM1
ZL10
1
GND
485A1
12V
N
L
485B1
G/G
Weiß
Schwarz
CN4
L
/
4V
4
Rot
Schwarz
Weiß
Drucksensor
SUT
CN9
3
RLY1
OUT2
OUT3
AC-N1
OUT4
OUT5
CN2
PC1004
CN8
4
CN13
A1A3A5A7A9
A11
t
5K
SUT LP
Remote
ON/OFF
A4A6A8A10
A12
A2
FS
HP
t
5K
IT
t
5K
CTET
t
50K
t
5K
OT
t
5K
AT
6.8K
CN11
A13
GND
GND
GND
GND
+12V
0~10V-OUT
PWM-IN
PWM-OUT
9
9
L
N
L
/
KM1
LN
LN
EEV
5
G/G
FM2
G/G
3
/
L
L
N
1
L
N
N
4
Regler
Gelb 485B-
Schwarz GND
Rot 12V
Weiß 485A+
Gelb 485B-
Schwarz GND
Rot 12V
Weiß 485A+
WIFI
220-240V~/50Hz
ZUR
STROMVER
SORGUNG
4
KM1˖Schütz der kompressor
SUT˖Saugtemperatur
AT˖Umgebungstemperatur
COMP˖Kompressor
CT˖Spulentemperatur
FM˖Lüftermotor
IT˖Einlasswassertemperatur
LP˖Niederdruckschutz
OT : Austrittwassertemperatur
FS˖Durchflussschalter
HP˖Hochdruckschutz
EEV˖Elektronisches expansionsventil
4V˖4 Wegeventil
ET˖Abgastemperatur
PM˖Phasenüberwachung
K2˖Relais der Pumpe
(OHNWULVFK
5HDNWRU
/
/
L
N
P35X/32
R
S
T
N
Rot
Schwarz
Weiß
Blau
RS
T
N
R
N
4V
1
3
24
5
6
7
8
02
N
N14
N
N
N
N
N
N
K2
4V
N
R
1
3
24
5
6
7
8
01
L3(C)
L2(B)
L1(A) 11
14
12
PM
N
N14
R
R
R
4
CODE˖20181128-0010
Rot
Schwarz
Weiß
Drucksensor
SUT
G/G
&203
8
9
:
8
9
:
K2
)DKUHUPRGXOERDUG
DCN-IN
8 9:567
DCP-IN
DCN-OUT
DCP-OUT
B
A
GND
12V
CN602
GND
CN605
5V
JP601
(OHNWURUHDNWRU
5
6
7
Rot
Schwarz
Weiß
R
S
T
N
1
N
1
R
RST
P26TX/32
DC+
DC1+
DC-
DC1-
EEV
5
CN9
3
RLY1
OUT2
OUT3
AC-N1
OUT4
OUT5
CN2
PC1004
CN8
4
A1A3A5A7A9
A11
t
5K
SUT LP
Remote
ON/OFF
A4A6A8A10
A12
A2
FS
HP
t
5K
IT
t
5K
CTET
t
50K
t
5K
OT
t
5K
AT
6.8K
CN11
A13
GND
GND
GND
GND
+12V
0~10V-OUT
PWM-IN
PWM-OUT
9
9
$ % & 1
1&%$
(0,
),
4
Zur Stromversorgung
380-415V/3N~/50Hz
CN1
FM1
ZL10
5
1
GND
485A1
12V
N
L
485B1
G/G
Weiß
Schwarz
CN4
FM2
G/G
Gelb
4
Regler
Gelb 485B-
Schwarz GND
Rot 12V
Weiß 485A+
CN13
L
N
1
3
24
5
6
7
8
03
S
T
S
S
5
6 7
T
T
6
7
5
5
N
L1N
R
S
T
SPD
L2L3
N
N
K2
P
G/G
N
PUMPEN
<10A
T
P35TX/32
Gelb 485B-
Schwarz GND
Rot 12V
Weiß 485A+
WIFI
K2˖Relais der Pumpe
SUT˖Saugtemperatur
AT˖Umgebungstemperatur
COMP˖Kompressor
CT˖Spulentemperatur
FM˖Lüftermotor
IT˖Einlasswassertemperatur
LP˖Niederdruckschutz
OT : Austrittwassertemperatur
FS˖Durchflussschalter
HP˖Hochdruckschutz
EEV˖Elektronisches expansionsventil
4V˖4 Wegeventil
ET˖Abgastemperatur
PM˖Phasenüberwachung
SPD˖Uberspannungsschutz gerät
6. ANHANG
6.1 Schaltplan
39
CODE˖20181128-0007
K2
N
1
3
24
5
6
7
8
01
N
L
N
N
N
N
N
4V
1
3
24
5
6
7
8
02
N
L
G/G
Gelb
P
L
N
Rot
Blau
$
*1'
9
%
3
:89
3
3(
$&1 $&/
/ /
&1
&1
&1
&1
&1
&1
3
3
/
1
8
9
:
$&,:0
COMP
8
9
:
U
W
V
Rot
Schwarz
Weiß
PTC
K2
N
N
N
1
3
24
5
6
7
8
03
L4
/
/
/
3
L
3
1
K1
L
N
N
P20X/32
K2
1
N
N
L
L
$&/RXW
$&1RXW
$&1LQ
$&/LQ
(0,
CN1
FM1
ZL10
1
GND
485A1
12V
N
L
485B1
G/G
Weiß
Schwarz
CN4
L
/
4V
4
Rot
Schwarz
Weiß
Drucksensor
SUT
CN9
3
RLY1
OUT2
OUT3
AC-N1
OUT4
OUT5
CN2
PC1004
CN8
4
CN13
A1A3A5A7A9
A11
t
5K
SUT LP
Remote
ON/OFF
A4A6A8A10
A12
A2
FS
HP
t
5K
IT
t
5K
CTET
t
50K
t
5K
OT
t
5K
AT
6.8K
CN11
A13
GND
GND
GND
GND
+12V
0~10V-OUT
PWM-IN
PWM-OUT
9
9
L
/
K1
EEV
5
LN
1
2
4
N
L
N
220-240V~/50Hz
ZUR
STROMVER
SORGUNG
PUMPEN
<10A
4
Regler
Gelb 485B-
Schwarz GND
Rot 12V
Weiß 485A+
WiFi
Schwarz GND
Gelb 485B-
Weiß 485A+
Rot 12V
K1˖Relais des Kompressors
SUT˖Saugtemperatur
AT˖Umgebungstemperatur
COMP˖Kompressor
CT˖Spulentemperatur
FM˖Lüftermotor
IT˖Einlasswassertemperatur
LP˖Niederdruckschutz
OT : Austrittwassertemperatur
FS˖Durchflussschalter
HP˖Hochdruckschutz
EEV˖Elektronisches expansionsventil
4V˖4 Wegeventil
ET˖Abgastemperatur
PM˖Phasenüberwachung
K2˖Relais der Pumpe
/
HOHFWULFUHDFWRU
L
N
/
/
R
S
T
N
Rot
Schwarz
Weiß
Blau
RS
T
N
R
N
4V
1
3
24
5
6
7
8
02
N
N14
N
N
N
N
N
N
K2
4V
N
R
1
3
24
5
6
7
8
01
L3(C)
L2(B)
L1(A) 11
14
12
PM
N
N14
R
R
R
4
CODE˖20181128-0008
Rot
Schwarz
Weiß
Drucksensor
SUT
Y/G
&203
8
9
:
8
9
:
K2
)DKUHUPRGXOERDUG
DCN-IN
8 9:567
DCP-IN
DCN-OUT
DCP-OUT
B
A
GND
12V
CN602
GND
CN605
5V
JP601
(OHNWURUHDNWRU
5
6
7
Rot
Schwarz
Weiß
R
S
T
N
1
N
1
R
RST
P20TX/32
DC+
DC1+
DC-
DC1-
EEV
5
CN9
3
RLY1
OUT2
OUT3
AC-N1
OUT4
OUT5
CN2
PC1004
CN8
4
A1A3A5A7A9
A11
t
5K
SUT LP
Remote
ON/OFF
A4A6A8A10
A12
A2
FS
HP
t
5K
IT
t
5K
CTET
t
50K
t
5K
OT
t
5K
AT
6.8K
CN11
A13
GND
GND
GND
GND
+12V
0~10V-OUT
PWM-IN
PWM-OUT
9
9
$ % & 1
1&%$
(0,
),
4
Zur Stromversorgung
380V/3N~/50Hz
CN1
FM1
ZL10
5
1
GND
485A1
12V
N
L
485B1
Y/G
Weiß
Schwarz
CN4
Gelb
4
Regler
Gelb 485B-
Schwarz GND
Rot 12V
Weiß 485A+
CN13
L
N
1
3
24
5
6
7
8
03
S
T
S
S
5
6 7
T
T
6
7
5
5
N
L1N
R
S
T
SPD
L2L3
N
N
K2
P
Y/G
N
PUMPEN
<10A
T
WIFI
Gelb 485B-
Schwarz GND
Rot 12V
Weiß 485A+
K2˖Relais der Pumpe
SUT˖Saugtemperatur
AT˖Umgebungstemperatur
COMP˖Kompressor
CT˖Spulentemperatur
FM˖Lüftermotor
IT˖Einlasswassertemperatur
LP˖Niederdruckschutz
OT : Austrittwassertemperatur
FS˖Durchflussschalter
HP˖Hochdruckschutz
EEV˖Elektronisches expansionsventil
4V˖4 Wegeventil
ET˖Abgastemperatur
PM˖Phasenüberwachung
SPD˖Uberspannungsschutz gerät

Related product manuals