EasyManua.ls Logo

Northwind MAC1211 - Page 25

Northwind MAC1211
36 pages
Print Icon
To Next Page IconTo Next Page
To Next Page IconTo Next Page
To Previous Page IconTo Previous Page
To Previous Page IconTo Previous Page
Loading...
25
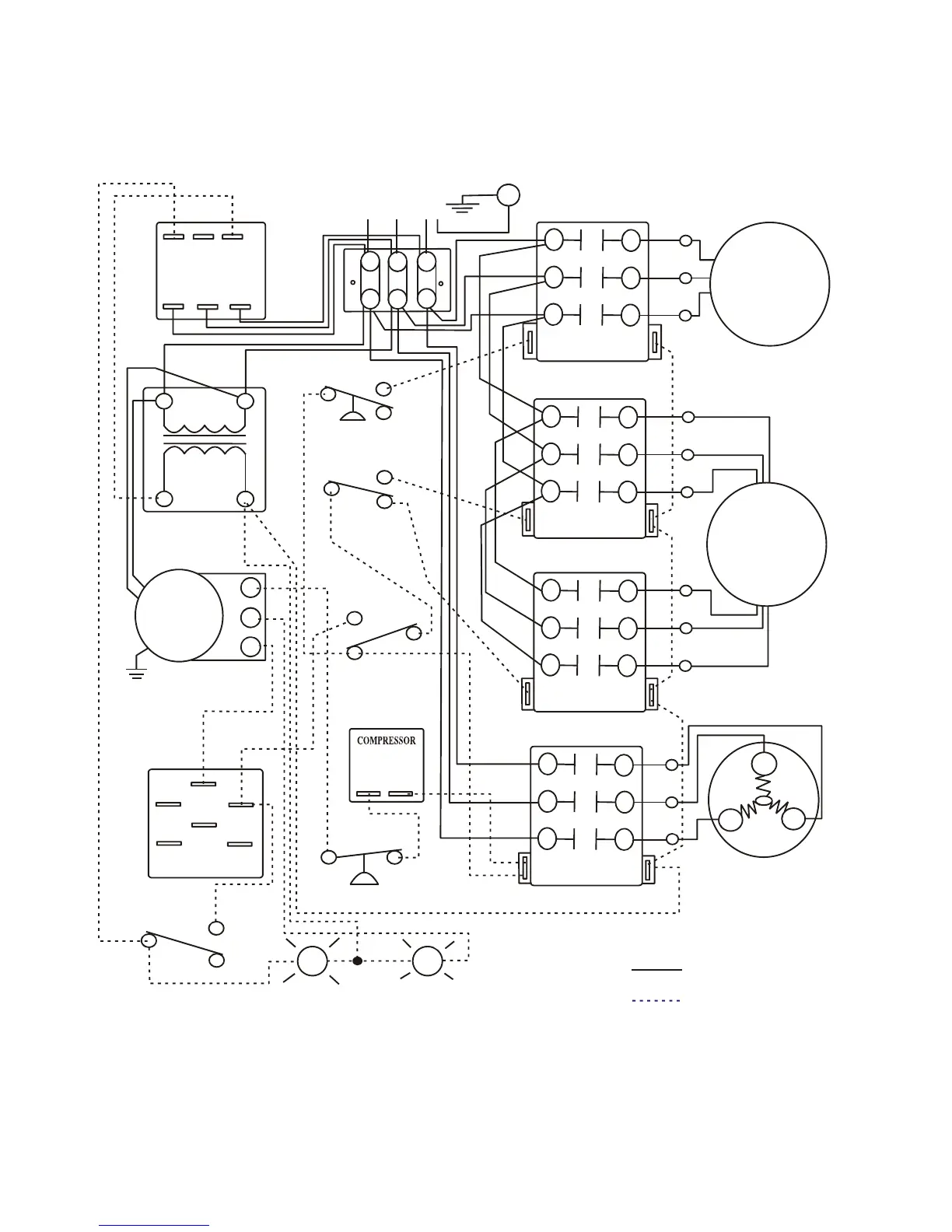
24 V
208/230
4
6
5
1
32
THERMOSTAT
1
3
TIME
DELAY
G
POWER
READY
R
CONDENSATE
ALERT
CONDENSER
FAN SWITCH
HIGH PRESSURE
SWITCH
CONDENSATE
PUMP
NC
NO
COM
PUMP
FLOAT
SWITCH
EVAPORATOR
FAN SPEED
LOW
HIGH
MAC6032/9032 WIRING DIAGRAM
April 2, 2007
Line Volta
g
e 230V
Low Voltage 24V
ON
OFF
CYCLE
CONSTANT
ON
T3
T1
T2
COMPRESSOR
L1
L2
T1
T2
24v
24v
CONDENSER
CONTACTOR
L3
T3
L1
L2
T1
T2
24v
24v
EVAP FAN LOW
CONTACTOR
L3
T3
CONDENSER
BLOWER
MOTOR
L1 L2
L3
Y
Y
C
PHASE MONITOR
Out
24v
L1
L2
T1
24v
COMPRESSOR
CONTACTOR
L3
T2
T3
L1
L2
T1
24v
24v
EVAP FAN HIGH
CONTACTOR
L3
T3
T2
EVAPORATOR
BLOWER
MOTOR
2-SPEED
L
1
L
2
L
3
GROUND
POWER
TERMINAL
V
208-230/3/60HZ