EasyManua.ls Logo

Northwind MAC1211 - Wiring Diagrams

Northwind MAC1211
36 pages
Print Icon
To Next Page IconTo Next Page
To Next Page IconTo Next Page
To Previous Page IconTo Previous Page
To Previous Page IconTo Previous Page
Loading...
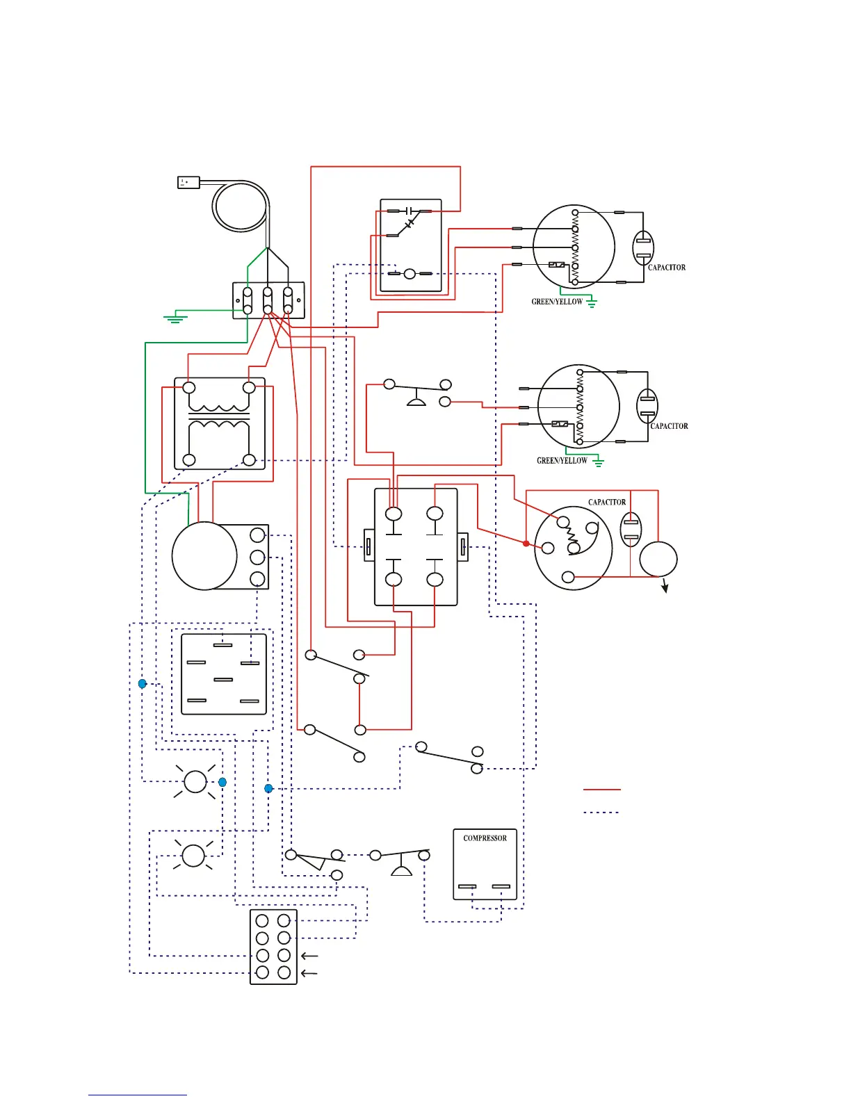
30
24v
L1
L2
T1
T2
24v
COMPRESSOR
CONTACTOR
24 V
120/1/60
4
6
5
1
3
2
THERMOSTAT
1
3
TIME
DELAY
G
POWER
READY
R
TANK
FULL
C
R
S
O
COMPRESSOR
START
ASSIST
STANDARD ON
MAC1811 ONLY
1
3
2
CONDENSER
FAN SPEED
EVAP FAN
CYCLE
CONSTANT
ON
HIGH PRESSURE
SWITCH
CONDENSER
BLOWER MOTOR
EVAPORATOR
BLOWER MOTOR
POWER
PLUG
120/1/60
POWER
CORD
B
L
A
C
K
W
HITE
G
R
E
E
N
EVAPORATOR
FAN RELAY
3
1
4
5
2
CONDENSATE
PUMP
NC
NO
COM
PUMP
FLOAT
SWITCH
BLUE
RED
BLACK
WHITE
BROWN
RED
BLACK
BLUE
WHITE
BROWN
CONDENSATE
TANK FULL
EVAPORATOR
FAN SPEED
LOW
HIGH
MA
C1211
-
1811
WIRIN
G
DIA
G
RAM
October 16, 2006
Line Volta
g
e 115V
Low Voltage 24V
ON
OFF
ON/OFF
120/1/60HZ
1
2
3
4
5
6
7
8
Blue
White
Blue
White
7 and 8 from remote thermostat connect here
REMOTE THERMOSTAT
TERMINAL BLOCK
Blue
White
ITH REMOTE THERMOSTAT