EasyManua.ls Logo

Norton Clipper TR 202 - Circuit Diagram

Norton Clipper TR 202
25 pages
Print Icon
To Next Page IconTo Next Page
To Next Page IconTo Next Page
To Previous Page IconTo Previous Page
To Previous Page IconTo Previous Page
Loading...
VERS. 2017.06.29 TR 202_MAN_EN
22
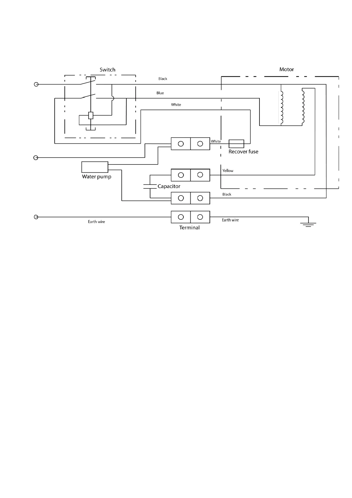
7.3 Circuit diagram

Related product manuals