EasyManua.ls Logo

NSS WRANGLER 20 E - Solution Tank Assembly

NSS WRANGLER 20 E
16 pages
Print Icon
To Next Page IconTo Next Page
To Next Page IconTo Next Page
To Previous Page IconTo Previous Page
To Previous Page IconTo Previous Page
Loading...
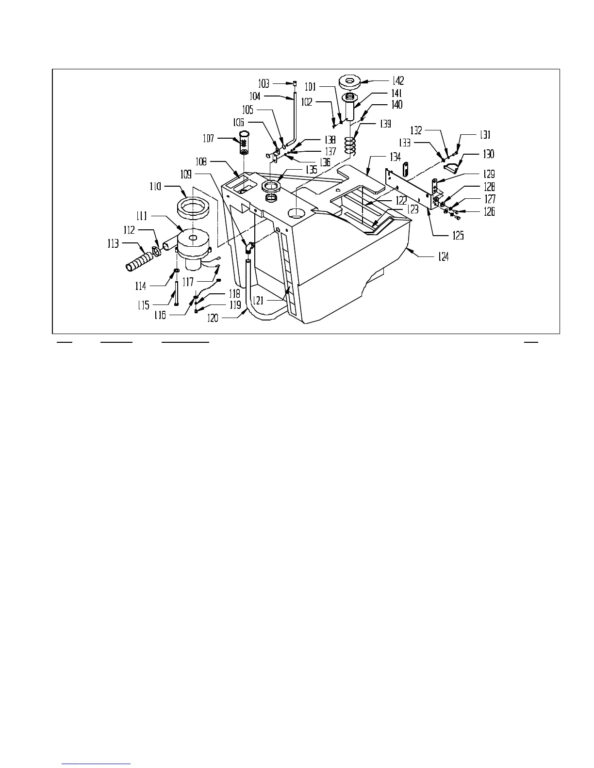
SOLUTION TANK ASSEMBLY
ITEM PART NO. DESCRIPTION QTY
101 91-2-032-0 #10 SPLIT LOCK WASHER 1
102 91-2-038-0 10-24 X 3/8 ROUND HEAD PHILLIPS MACHINE SCREW 1
103 50-9-253-1 SOLUTION FEED TUBE CAP 1
104 23-9-163-6 HOOD ROD 1
105 23-9-256-1 CIRCLE COTTER PIN - #CC-7 2
106 23-9-164-6 ROD BRACKET 1
107 27-9-189-9 SOLUTION TANK, FILTER 1
27-9-189-1 BAG, TANK SCREEN 1
27-9-176-1 RING 1
108 23-9-217-1 CLEAN WATER TANK DECAL 1
109 23-9-177-1 90 DEGREE HOSE BARB 1
110 46-9-010-1 VACUUM MOTOR / FLOAT GASKET 1
111 23-9-107-1 VACUUM MOTOR 120 VOLT 1
23-9-258-1 VACUUM MOTOR CARBON BRUSH 120 VOLT 2
23-9-109-1 VACUUM MOTOR 240 VOLT 1
23-9-259-1 VACUUM MOTOR CARBON BRUSH 240 VOLT 2
112 44-9-544-1 HOSE CLAMP 1 9/16" TO 2 1/2" DIAMETER 1
113 23-9-565-1 VACUUM MOTOR EXHAUST HOSE 1
114 91-2-088-0 1/4 SPLIT LOCK WASHER 3
115 49-9-119-1 1/4-20 X 3 HEX BOLT 3
116 32-9-069-1 GREEN WIRE GROUND TO MOTOR 1
117 54-9-017-1 1/4 MALE SPADE TERMINAL FULLY INSULATED 2
118 91-2-032-0 #10 SPLIT LOCK WASHER 1
119 91-2-059-0 10-24 X 3/8 PAN HEAD PHILLIPS THREAD CUTTING SCREW 1
120 23-9-599-7 VINYL HOSE 3/4" I.D. X 33" LONG 1
121 23-9-185-1 SOLUTION LABEL 1
122 99-9-755-0 VELCRO HOOK, P.S. 1'
123 99-9-756-0 VELCRO LOOP, P.S. 1'
124 23-9-101-1 SOLUTION TANK 1
125 23-9-594-3 LOWER HINGE BRACKET 1
23-9-168-9 LOWER HINGE ASSEMBLY (INCL. ITEMS 125-129) 1
126 91-2-121-0 1/4-20 X 5/8 HEX BOLT 4
127 91-2-088-0 1/4 SPLIT LOCK WASHER 4
128 91-2-093-0 9/32 I.D. X 5/8 O.D. X .051/.080 THICK SAE FLAT WASHER (1/4) 4
129 23-9-593-3 ADJUSTMENT PLATE - HINGE BRACKET 2
130 23-9-165-1 3/8 X 1 5/8 CLEVIS PIN - STEEL, ZINC PLATE (W/RETAINER) 2
131 91-2-125-0 1/4-20 X 3/4 HEX BOLT WITH NYLON PATCH 4
132 91-2-088-0 1/4 SPLIT LOCK WASHER 4
133 91-2-093-0 9/32 I.D. X 5/8 O.D. X .051/.080 THICK SAE FLAT WASHER (1/4) 4
134 23-9-196-3 CAST IRON WEIGHT 1
135 02-9-434-1 TOP MOTOR SEAL - NEOPRENE 1
136 91-2-093-0 9/32 I.D. X 5/8 O.D. X .051/.080 THICK SAE FLAT WASHER (1/4) 2
137 91-2-088-0 1/4 SPLIT LOCK WASHER 2
138 91-2-117-0 1/4-20 X 1/2 HEX BOLT 2
139 23-9-158-1 SPRING, TUBE ADAPTOR 1
140 91-2-036-0 10-24 HEX NUT WITH STAR LOCK WASHER 1
141 23-9-157-3 TUBE ADAPTER 1
142 23-9-159-1 GASKET TUBE ADAPTER 1

Related product manuals