EasyManua.ls Logo

NTI FTV190 - Plumbing Schematic - Primary;Secondary

Default Icon
88 pages
Print Icon
To Next Page IconTo Next Page
To Next Page IconTo Next Page
To Previous Page IconTo Previous Page
To Previous Page IconTo Previous Page
Loading...
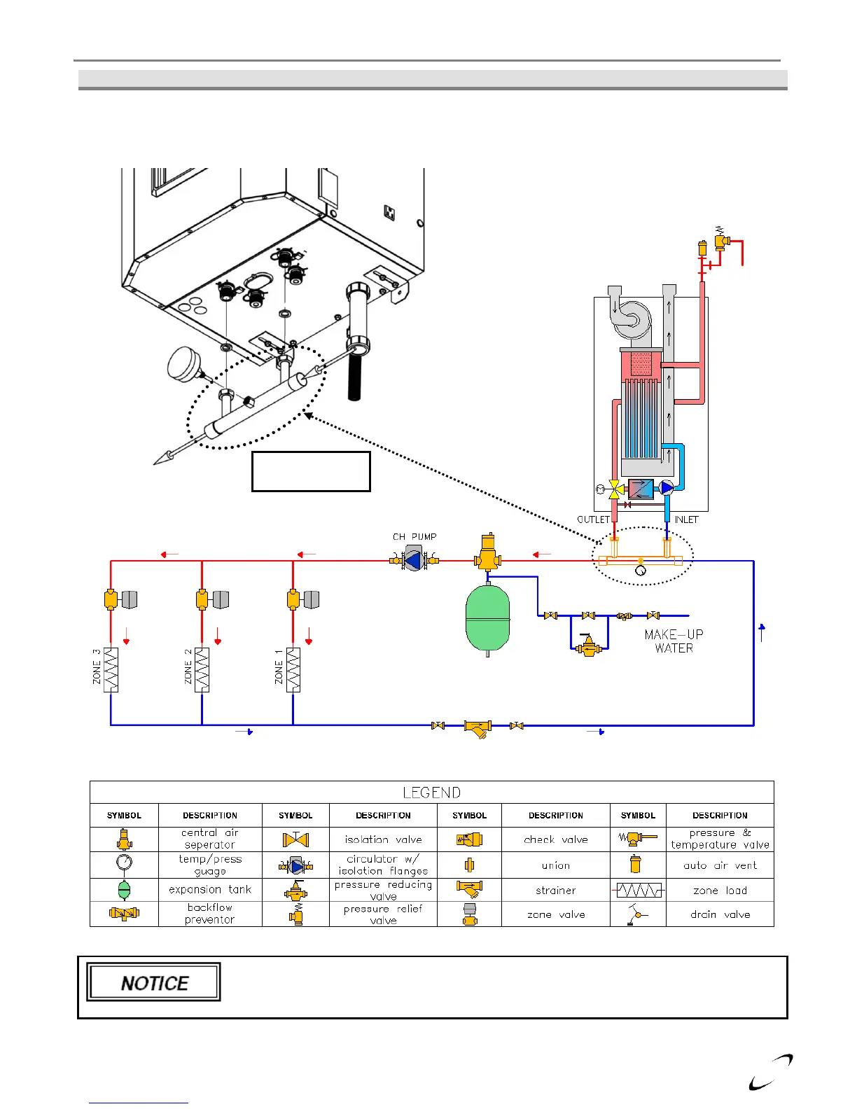
FTV I&O Manual Boiler and Heating System Piping
Figure 10-9 Plumbing Schematic Single Central Heating Circulator Primary/Secondary (Combi)
Figure 10-9 illustrates the basic plumbing requirements for an FTV-Combi boiler
installation with a single Central Heating circulator in Primary/Secondary configuration.
Low Loss Header
(p/n 85110)

Table of Contents

Related product manuals