EasyManua.ls Logo

OEC 9800C-Arm - Page 124

OEC 9800C-Arm
490 pages
Print Icon
To Next Page IconTo Next Page
To Next Page IconTo Next Page
To Previous Page IconTo Previous Page
To Previous Page IconTo Previous Page
Loading...
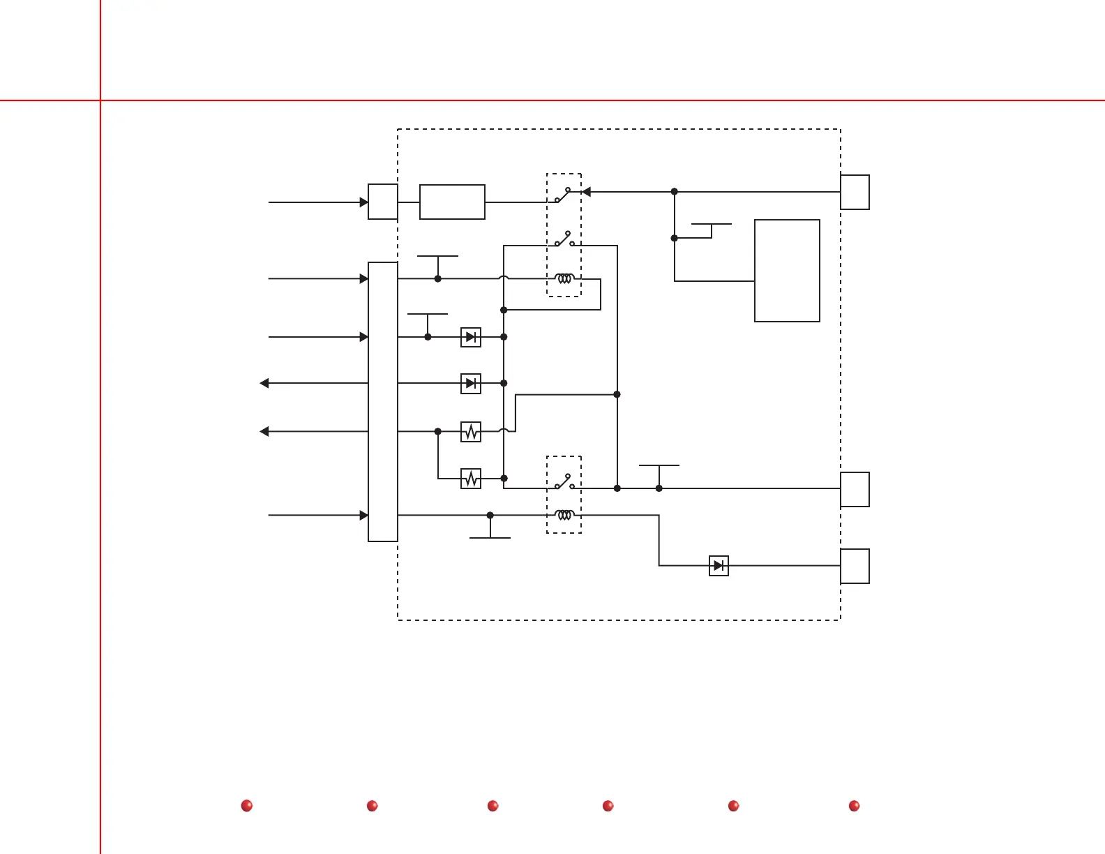
Pre-Charging
PRE_CHRG*
CONTACT_RLY*
Sheet 4
CONTACT*
Sheet 4
24V_INTERLOCK
P5
1
P/O Filament Driver PCB
AC_CAP
R_DIS
P4
9
4
3
2
1
Charge
Pump
Sheet 4
R40
CR23
CR22
R45
R_DIS
Voltage Sense
Relay K2
Sheet 4
Contact Lock
K6
Sheet 4
Filament
Regulation,
Drive and
Selection
Circuits
(see "mA
Generation")
CAP_POS_F2 CAP_POS_F2
(from Sheet 2)
(from Sheet 4)
P4
3
P4
9
P4
1
BAT_POS_F4
(see Sheet 2)
CAP_NEG (Gnd)
CR6
Pre-charging (sheet 3)
4
Service
Periodic Maintenance
Contents
Schematics
Illustrated Parts
Installation

Related product manuals