EasyManua.ls Logo

OEC UroView 2800 - System Communications - Table;Generator Interface PCB

Default Icon
91 pages
Print Icon
To Next Page IconTo Next Page
To Next Page IconTo Next Page
To Previous Page IconTo Previous Page
To Previous Page IconTo Previous Page
Loading...
OEC UroView
®
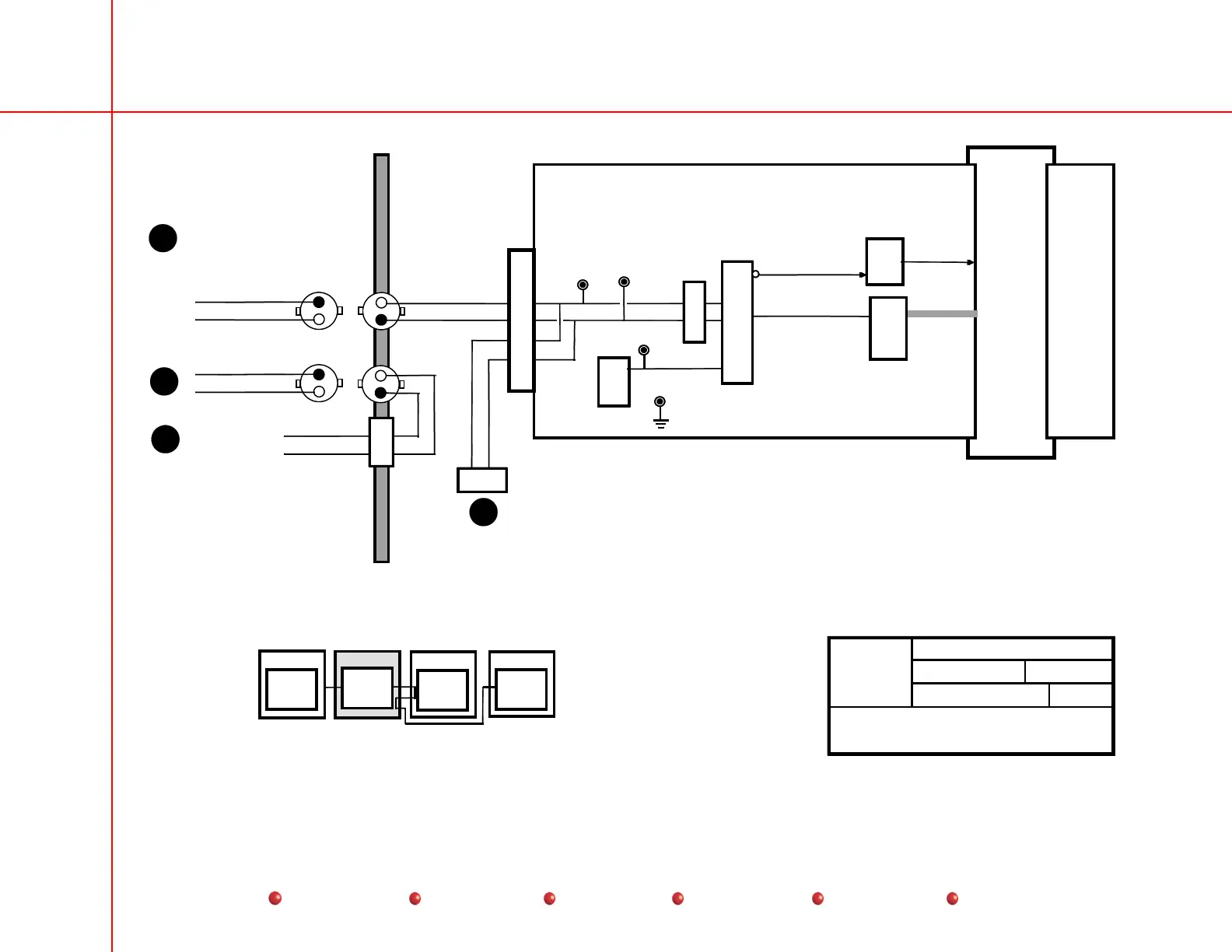
2800 Table/Generator Functional Block Diagrams
36
Service
Periodic Maintenance
Contents
Schematics
Illustrated Parts
Installation
00-881567
Table/Generator Interface PCB
P1
U6
ISA_SD(15..0)
U16
7
6
Y1
20
MHz
TP7
TP8
TP32
ARCNET
CONTROLLER
RS485
TRANSCEIVER
P3
7
8
U35
ARC_INT*
24
DECODER
SD15..0)
U51
SD BUFFER
ARCNET_HI
ARCNET_LO
TP33
Table
Backpack
J18
P18
IRQ
Backplane
881740
ISA
Half Size
CPU PCB
6
7
2
1
To J1 of Interconnect
Cable to Workstation
ARCNET_HI
ARCNET_LO
J14
P14
ARCNET_HI
ARCNET_LO
J13
To X-ray
Control Console
To Collimator
Interface PCB
From Collimator
Interface PCB
1A
5B
4D
TABLE
5C
Workstation
System
Interface PCB
Table
Table/
Generator
Interface PCB
Collimator
Collimator
Interface PCB
X-ray Control
Console
X-ray Control
Interface PCB
Page 2 of 6
System Communications
Table/Generator Interface PCB
07/01
2800
GE OEC Training
SYSCOMM.DS4
g
System Communications – Table/Generator Interface PCB