EasyManua.ls Logo

OEC UroView 2800 - X-ray Tube Stator Control and Temperature Sensing

Default Icon
91 pages
Print Icon
To Next Page IconTo Next Page
To Next Page IconTo Next Page
To Previous Page IconTo Previous Page
To Previous Page IconTo Previous Page
Loading...
OEC UroView
®
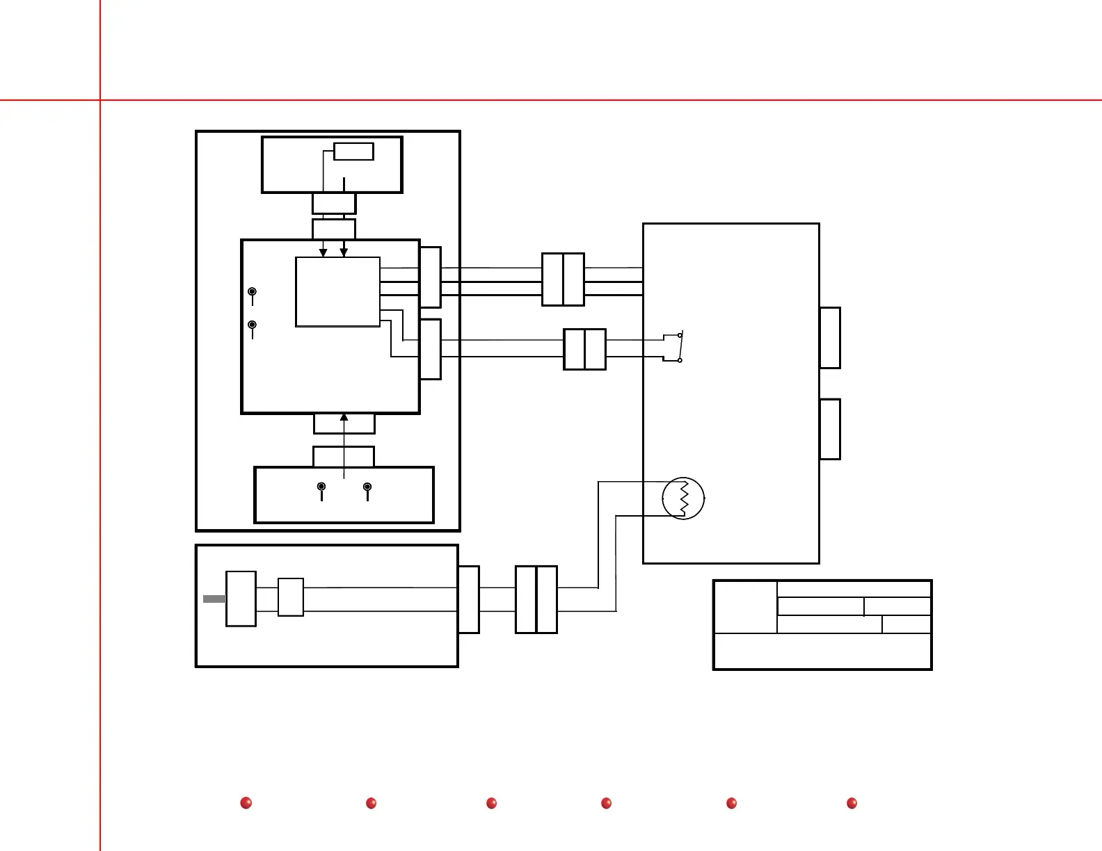
2800 Table/Generator Functional Block Diagrams
41
Service
Periodic Maintenance
Contents
Schematics
Illustrated Parts
Installation
Page 1 of 1
07/01
XRAYTUBE.DS4
2800
X-ray Tube Stator Control and
Temperature Sensing
GE OEC Training
g
Generator
Collimator
Interface PCB
To
Stator
Windings
X-ray Tube
Temp
Sensor
Thermal
Cutout
Switch
J1
Rotation
Board
J2
J3B
LVPS
Cathode
Anode
J2
J1
P1
J2
P2
J8 P8
J3
AC/DC
Board
J1
J3A
+DC_ROT
-DC_ROT
2
2
1
1
F1
400 - 750 VDC
P15V_CAN
M15V_CAN
MAINS_DROP_H
MAINS_DROP_L
TX_CAN
RX_CAN
TP4
P15V_CAN
TP2
M15V_CAN
P15V
M15V
TP1
TP2
ROT_A
ROT_P
ROT_C
Regulation
and
Control
15
16
U4
A/D
U2
3
4
TUBE_TEMP_HI (+5V_ANALOG)
TUBE_TEMP_LO
ISA
THERM_TEMP_HI
THERM_TEMP_LO
X-ray Tube Stator Control and Temperature Sensing