EasyManua.ls Logo

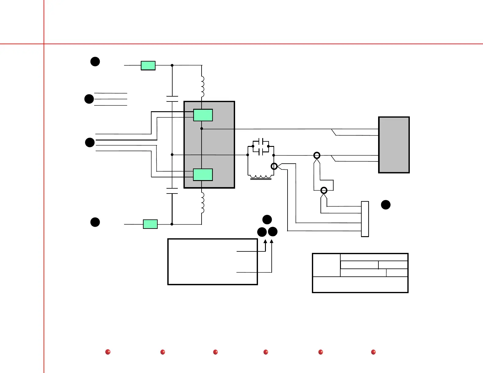
OEC UroView 2800 - kV Generation Functional Diagram - AC;DC PCB & Resonant Circuit Power Components

Default Icon
91 pages
Print Icon
To Next Page IconTo Next Page
To Next Page IconTo Next Page
To Previous Page IconTo Previous Page
To Previous Page IconTo Previous Page
Loading...
OEC UroView
®
2800 Table/Generator Functional Block Diagrams
47
Service
Periodic Maintenance
Contents
Schematics
Illustrated Parts
Installation
IGBT
IGBT
Snubber
Inductor
0.5uH
Snubber
Inductor
0.5uH
M-
DC Bus
(from AC/DC Board)
M+
DC Bus
(from AC/DC Board)
TB+
TB-
DC Bus
Capacitor
100uF
DC Bus
Capacitor
100uF
(White)
(White)
HV Primary 2
HV Primary 4
HV Primary 1
HV Primary 3
To Gate Command
Board J1
IGBT_L_CMD_N
IGBT_L_CMD_P
IGBT_H_CMD_N
IGBT_H_CMD_P
Quad
Snubber
Board
Page 4 of 4
kV Generation Functional Diagram
AC/DC PCB & Resonant Circuit Power Components
07/01
2800
GE OEC Training
g
I_INV_MEAS_N
I_INV_MEAS_P
ILP_MEAS_N
ILP_MEAS_P
3F
3G
HVTank
INV_TEMP_N
INV_TEMP_P
+15V
3E
AC/DC Board
DC Bus +
DC Bus -
28KV.DS4
3H
A
B
B
A
WARNING!
400 - 750 VDC
USE ONLY A
DVM TO
MEASURE
kV Generation Functional Diagram – AC/DC PCB & Resonant Circuit Power Components