EasyManua.ls Logo

OEC UroView 2800 - mA Generation Functional Diagram - Table;Generator Interface & Generic Interface PCB

Default Icon
91 pages
Print Icon
To Next Page IconTo Next Page
To Next Page IconTo Next Page
To Previous Page IconTo Previous Page
To Previous Page IconTo Previous Page
Loading...
OEC UroView
®
2800 Table/Generator Functional Block Diagrams
48
Service
Periodic Maintenance
Contents
Schematics
Illustrated Parts
Installation
Page 1 of 6
28MA.DS4
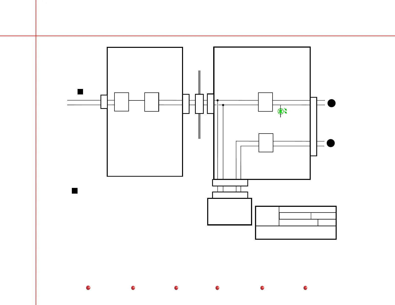
mA Generation Functional Diagram
Table Generator Interface & Generic Interface PCB
07/01
2800
GE OEC Training
g
J3
Table/Generator
Interface PCB
Generic IF PCB
ARCNET_HI
J2
J4
J10
TXD_EXT_CAN
RXD_EXT_CAN
U13
U11
U12
TXD_EXT_CAN
RXD_EXT_CAN
TX_RTL_6_IF
U16
U14
U15
AEC PCB
2A
2B
U56
U22
CAN_GEN_H
CAN_GEN_L
U16
U14
ARCNET_LO
ISA BUS
RX_RTL_6_IF
VCC
35
37
31
33
J6
J5
56
13 14
See AEC Diagram
for details
56
13 14
P20
J20
Back
Pack
10
2
15
33
10
2
1
2
1
See Systems Communications
Functional Diagram
1
mA Generation Functional Diagram – Table/Generator Interface & Generic Interface PCB