EasyManua.ls Logo

OEC UroView 2800 - ABS Path - Video Path

Default Icon
91 pages
Print Icon
To Next Page IconTo Next Page
To Next Page IconTo Next Page
To Previous Page IconTo Previous Page
To Previous Page IconTo Previous Page
Loading...
OEC UroView
®
2800 Table/Generator Functional Block Diagrams
54
Service
Periodic Maintenance
Contents
Schematics
Illustrated Parts
Installation
Page1 of 2
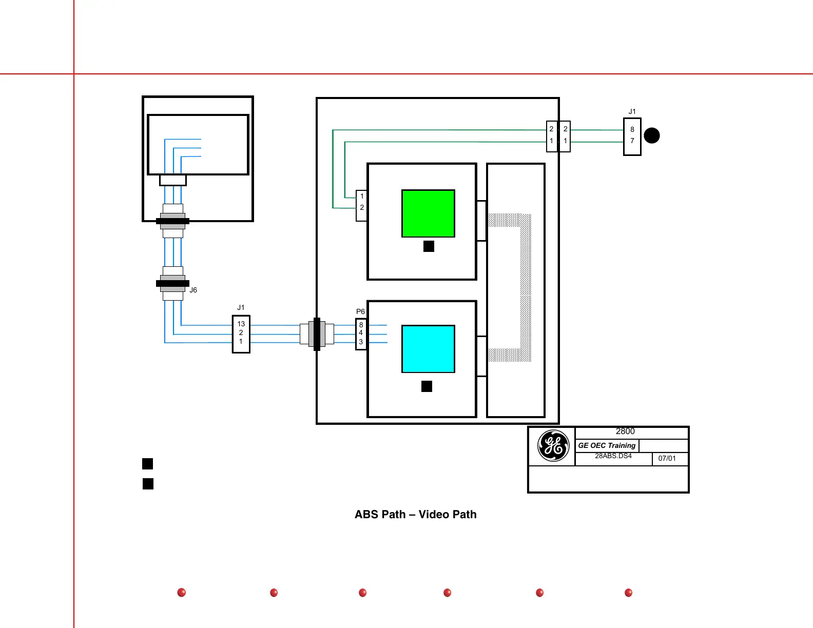
CCD Camera Assy.
Video_Hi
Video_Lo
Video_Shld
Camera Cover Assy.
J6
P2 8 4 3
P6
Interconnect
Plug
Pausch
Cable
Interconnect
Cable Assy.
EMI Box
J3
Video Controller PCB
ABS Path
Video Path
VLI LUT
And Circuitry
1
1
See Image Path Functional Diagram page 3.
Pentium
Singleboard
Computer
System I/F PCB
P3
2
2
See Arcnet Communications Functional Diagram
J6 P6
Arcnet_HI
Arcnet_LO
Interconnect
Plug
2A
ISA Bus
Host Arcnet
Controller

















P6
8
4
3
J1
13
2
1
1
2
J1
8
7
2
1
2
1
07/01
2800
GE OEC Training
g
28ABS.DS4
J6
ABS Path – Video Path