EasyManua.ls Logo

OEC UroView 2800 - Image Path Overview

Default Icon
91 pages
Print Icon
To Next Page IconTo Next Page
To Next Page IconTo Next Page
To Previous Page IconTo Previous Page
To Previous Page IconTo Previous Page
Loading...
OEC UroView
®
2800 Table/Generator Functional Block Diagrams
58
Service
Periodic Maintenance
Contents
Schematics
Illustrated Parts
Installation
CCD Camera Assy.
Video_Hi
Video_Lo
Video_Shld
Camera Cover Assy.
J6
P2 8 4 3
J6
J1
13
2
1
Interconnect
Plug
Pausch
CAble
Lemo Receptacle
Cable Assy.
Interconnect
Cable Assy.
EMI Box
J3
Video Controller PCB
P6
8
4
3
EJECT
REC
STOP REW PLAY F FWD PAUSE
VCR
J6
J5
Video
Output
Mux
A/D























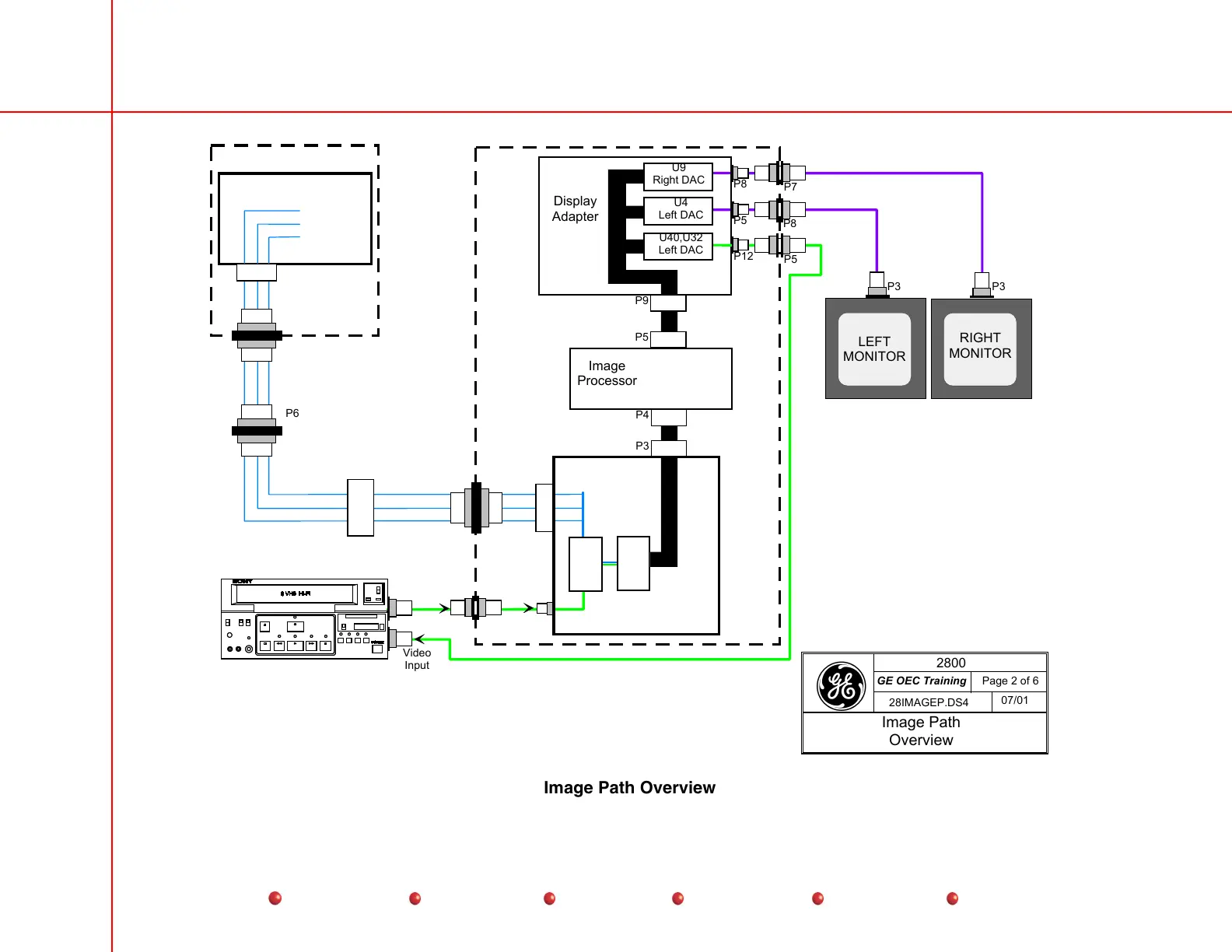
P3
P4
P5
P9
Display
Adapter
Image
Processor
LEFT
MONITOR
RIGHT
MONITOR
U9
Right DAC
U4
Left DAC
U40,U32
Left DAC
Video
Input
P12
P5
P8
P5
P8
P7
P3 P3
Page 2 of 6
28IMAGEP.DS4
Image Path
Overview
07/01
2800
GE OEC Training
g
P6
Image Path Overview