EasyManua.ls Logo

OEC UroView 2800 - Image Path Out of Video Controller PCB

Default Icon
91 pages
Print Icon
To Next Page IconTo Next Page
To Next Page IconTo Next Page
To Previous Page IconTo Previous Page
To Previous Page IconTo Previous Page
Loading...
OEC UroView
®
2800 Table/Generator Functional Block Diagrams
60
Service
Periodic Maintenance
Contents
Schematics
Illustrated Parts
Installation
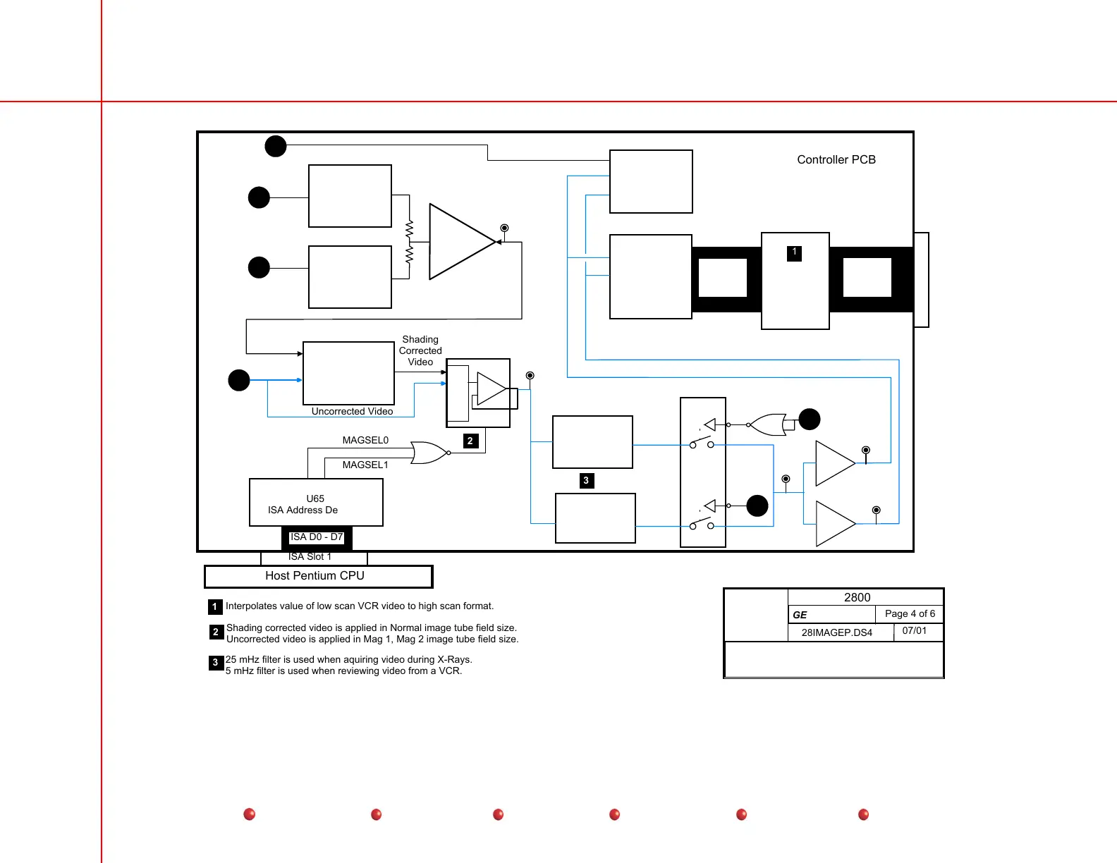
Image Path out of
Video Controller PCB
3A
3B
3C
3D
BP_CLAMP*
HSYNC*
VSYNC*
VID


Host Pentium CPU
ISA Slot 1
ISA D0 - D7
U65
ISA Address Decoder
Horizontal
Anti-Vignetting
Circuit
U23, U60, U54
Vertical
Anti-Vignetting
Circuit
U23, 60, U55
Summing
Amplifier
U57
TP47
AVIG
IN0
IN1
IN2
IN3
+
-
A0
U33
Voltage Controlled
Gain Amplifier
U32
U24
TP43
VCR
Anti Alias Filter
5 MHZ LP
Hi Res Video
Anti Alias Filter
25 MHZ LP
U34
DG411
TP50
3E
U24
3E
U41
MAX452
U56
MAX452
+
-
DC Restoration
Clamp Circuits
U34, U59, U43
A/D Converter
AD5800
U42
TP51
TP52
P3
To Image Processor








AD_IN0
to
AD_IN11
VC_D0
to
VC_D11
Pixel
Interpolator
U46
Video Controller PCB
1
1
Interpolates value of low scan VCR video to high scan format.
MAGSEL0
MAGSEL1
2
3
Shading
Corrected
Video
Uncorrected Video
2
Shading corrected video is applied in Normal image tube field size.
Uncorrected video is applied in Mag 1, Mag 2 image tube field size.
25 mHz filter is used when aquiring video during X-Rays.
5 mHz filter is used when reviewing video from a VCR.
3
Page 4 of 6
28IMAGEP.DS4
07/01
2800
GE OEC Training
g
Image Path Out of Video Controller PCB