EasyManua.ls Logo

OEC UroView 2800 - AEC Functional Diagram

Default Icon
91 pages
Print Icon
To Next Page IconTo Next Page
To Next Page IconTo Next Page
To Previous Page IconTo Previous Page
To Previous Page IconTo Previous Page
Loading...
OEC UroView
®
2800 Table/Generator Functional Block Diagrams
63
Service
Periodic Maintenance
Contents
Schematics
Illustrated Parts
Installation
Page 1 of 3
28AEC.DS4
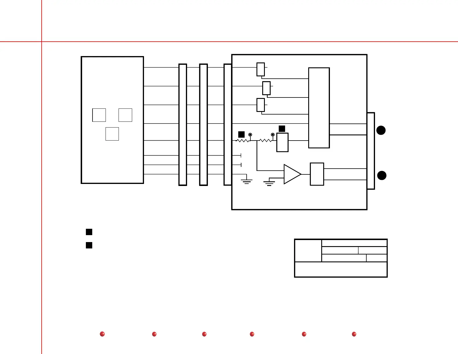
AEC Functional Diagram
08/01
2800
GE OEC Training
g
2A
2B
ION CHAMBER
AEC PCB
ION_SEL1
ION_SEL2
ION_SEL3
AEC1STRT_INTG
VOUT
-15
+15
GND
3
2
6
4
5
7
8
9
IO_B0
IO_B1
IO_B2
IO_A3
IO_A1
DB9 P12 J2
-15
+15
U4
U7
U12
EXT_CAN_L
EXT_CAN_H
U9
TP8
LEFT
MIDDLE
RIGHT
BRIGHT_CAN_L
BRIGHT_CAN_H
+15
K7
K6
K5
+15
+15
3
2
6
4
5
7
8
9
3
2
6
4
5
7
8
9
J5
5
6
13
14
TP5
1
1
12
1
1
1
2
TP8 voltage ramps up until desired optical density is acheived.
TP5 voltage (CLR_CAP) clears Vout for next shot.
AEC Functional Diagram