EasyManua.ls Logo

OEC UroView 2800 - Page 64

Default Icon
91 pages
Print Icon
To Next Page IconTo Next Page
To Next Page IconTo Next Page
To Previous Page IconTo Previous Page
To Previous Page IconTo Previous Page
Loading...
OEC UroView
®
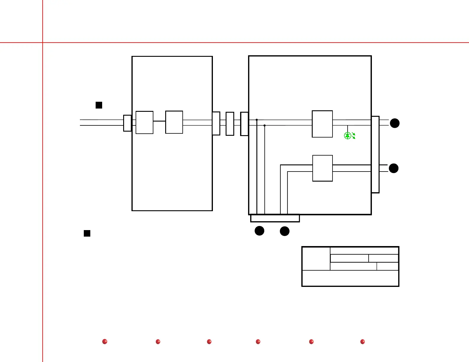
2800 Table/Generator Functional Block Diagrams
64
Service
Periodic Maintenance
Contents
Schematics
Illustrated Parts
Installation
Page 2 of 3
28AEC.DS4
AEC Functional Diagram
J3
08/01
2800
GE OEC Training
g
Table/Generator
Interface PCB
Generic IF PCB
ARCNET_HI
J2
J4
J10
TXD_EXT_CAN
RXD_EXT_CAN
TXD_EXT_CAN
RXD_EXT_CAN
3B
3A
U56
U22
CAN_GEN_H
CAN_GEN_L
ARCNET_LO
ISA BUS
U13
U11
U12
J6
VCC
5 6 13 14
1A
U16
U14
U15
1B
31
33
35
37
TX_RTL_6_IF
RX_RTL_6_IF
2
10
33
15
U16
U14
J20
2
10
1
2
11
1
1
See Systems Communications Functional Diagram
AEC Functional Diagram