EasyManua.ls Logo

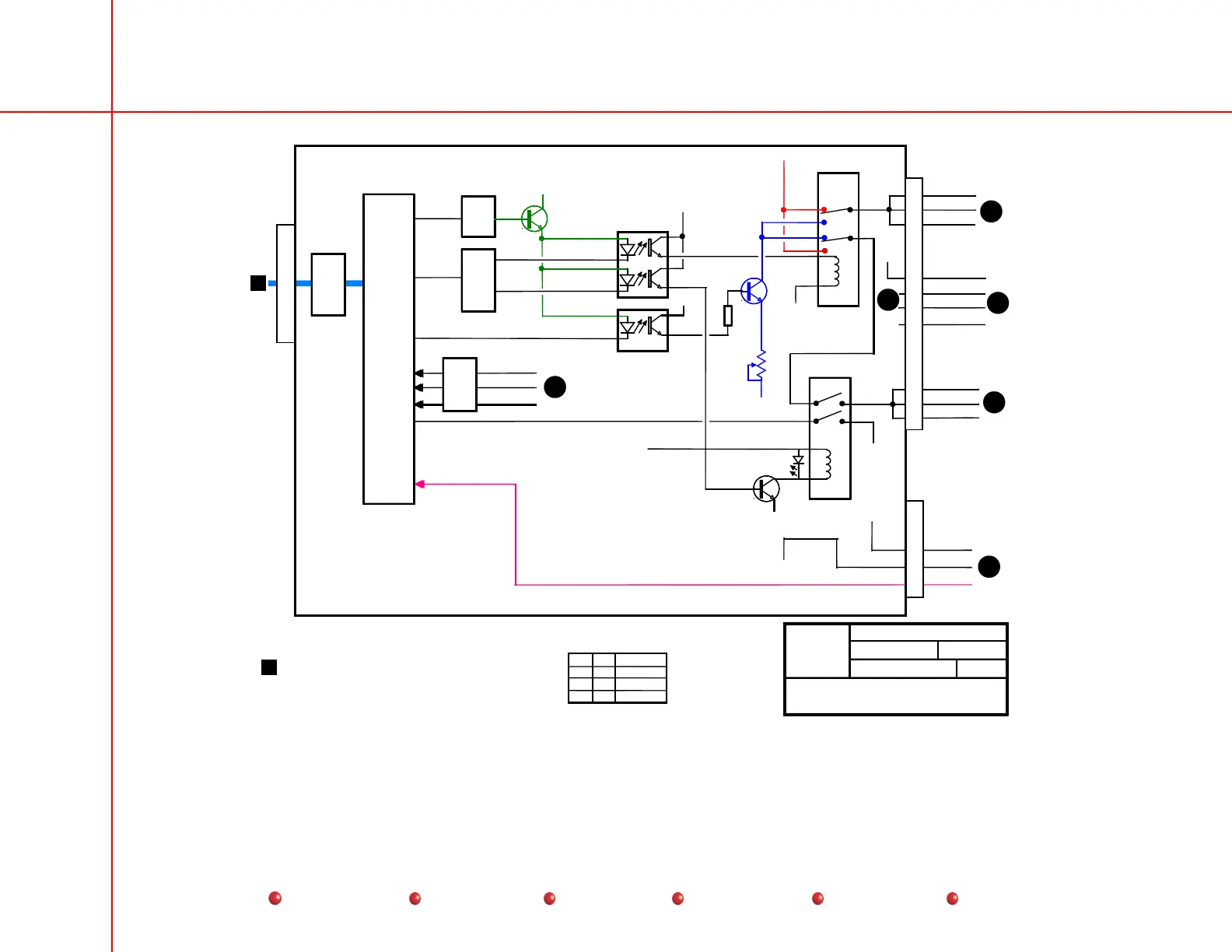
OEC UroView 2800 - Motor Drive Diagram - Table Lateral (M6) & Accessory Switches

Default Icon
91 pages
Print Icon
To Next Page IconTo Next Page
To Next Page IconTo Next Page
To Previous Page IconTo Previous Page
To Previous Page IconTo Previous Page
Loading...
OEC UroView
®
2800 Table/Generator Functional Block Diagrams
81
Service
Periodic Maintenance
Contents
Schematics
Illustrated Parts
Installation
Serial communications from the
Table Generator Interface PCB P2
Motron Board
IC
19A
1
5
GND
2
IC9
Q1
IC22
VCC
ENABLE
ENABLE
ENABLE
T_QUER
PWM_QUER
IC5
IC2
K19
K20
3
4
7
6
5
M24
+24
M24
TAST_24V
6
4
3
+35V
RI_QUER
+45V
M6
Q8
R52
R 53
Imax
M45
KM6
M6+
M6-
Q2
Relays shown de-energized
X11
6
7
8
3
4
5
g
Page 1 of3
03/02
GE OEC Training
Uroview 2800
Motor Drive Diagram
Table Lateral (M6) & Accessory Switches
TBL_LAT.DS4
Note: QUER=LATERAL
Interlocked +24V (Notaus)
See page 1 of Interlock,
Security Lines & Fast Stop Diagram
K19 K20 Movement
D D None
E D
E E
Microprocessor
CM509 Module
X3
IC14
IC30
1
2A
2B
X13
2C
2D
POS_M6
GNDA
AVCC
AVCC
GNDA
2
21
22
23
A
A
IC4
IC2
+24V
ZUBH_OK
VERLAENG
MIKTION
ZUBH_OK
VERLAENG
MIKTION
+24V
POS_M6
D33
Motor Drive Diagram – Table Lateral