EasyManua.ls Logo

Oki B401 - Page 38

Oki B401
184 pages
Print Icon
To Next Page IconTo Next Page
To Next Page IconTo Next Page
To Previous Page IconTo Previous Page
To Previous Page IconTo Previous Page
Loading...
Oki Data CONFIDENTIAL
3. Parts replacement
44983601TH Rev.1
3-11 /
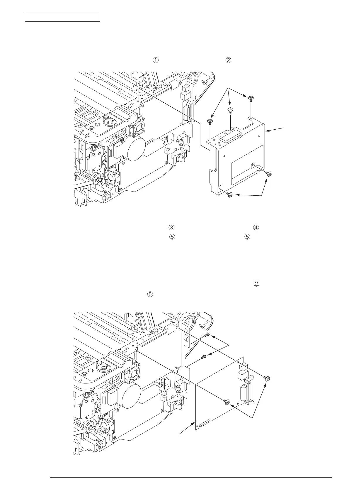
3.3.6 CU-Board
(1) Remove the Cover-Side-R. (Refer to 3.3.4)
(2) Remove the five screws (Silver)
. Remove the Plate-Shield .
(3) Remove the two screw (Silver : Small) , remove the two screw (Silver) .
(4) Disconnect every cord from CU-Board
and remove the CU-Board .
(5) Installing is performed by the inverse procedure with removing.
(Note on removing / installing)
1. Beware of not to touch the DC motor inattentively (Do not rotate motor).
2. Beware of not to tuck down the cable while installing the Plate-Shield
.
3. See 7.2(1) for the CU-Board
connector layout.

Other manuals for Oki B401

Related product manuals