EasyManua.ls Logo

Oki B431L6 - Page 59

Oki B431L6
184 pages
Print Icon
To Next Page IconTo Next Page
To Next Page IconTo Next Page
To Previous Page IconTo Previous Page
To Previous Page IconTo Previous Page
Loading...
Oki Data CONFIDENTIAL
3. Parts replacement
44983601TH Rev.1
3-32 /
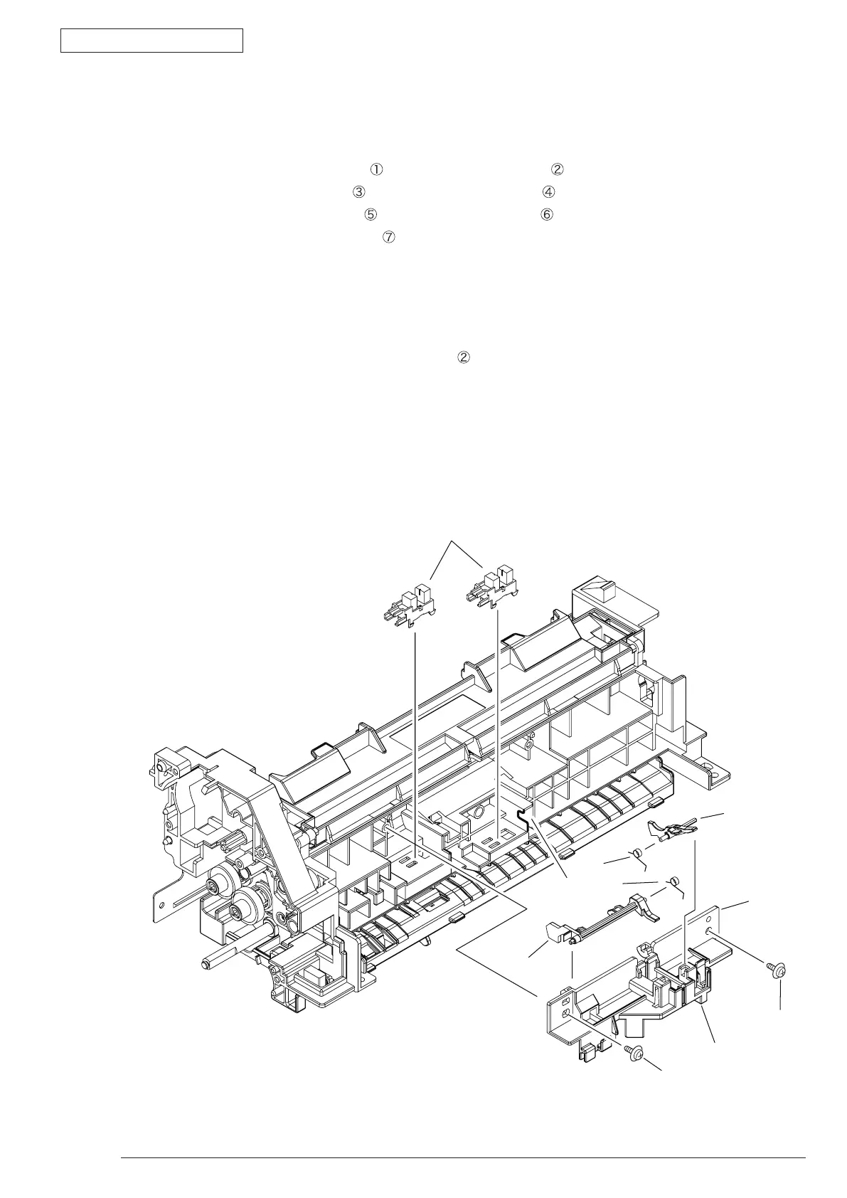
3.3.25 Lever In Sensor / Lever WR Sensor / /Photo Interrupter
(1) Separate the Front Assy. (Refer to 3.3.20)
(2) Separate the Roller-Pressure and Roller Regist. (Refer to 3.3.23)
(3) Remove the two screws (Black)
.
Remove
the Holder-Sensor .
(4) Remove the Lever-In-Sensor . Remove the Spring-Sensor .
(5) Remove the Lever-WR-Sensor
. Remove the Spring-Sensor .
(6) Remove the two Photo Interrupter
.
(7) Installing is performed by the inverse procedure with removing.
(Note on removing / installing)
1. Beware of not to touch the DC motor inattentively (Do not rotate motor).
2. Make sure that the latch B of Holder-Sensor
has engaged the latch A of the Front
B
A

Related product manuals